| CAD 模型: | View CAD Model |
| Pkg. Type: | SOICW |
| Pkg. Code: | MWW |
| Lead Count (#): | 28 |
| Pkg. Dimensions (mm): | 17.93 x 7.52 x 0.20 |
| Pitch (mm): | 1.27 |
| Pb (Lead) Free | No |
| ECCN (US) | EAR99 |
| HTS (US) | 8542.39.0030 |
| Moisture Sensitivity Level (MSL) |
| Lead Count (#) | 28 |
| Carrier Type | Tube |
| Pb (Lead) Free | No |
| Temp. Range (°C) | -40 to +85°C |
| Channels (#) | 1 |
| Conversion Rate (Max) (kSPS) | 5000 |
| Differential NonLinearity LSB | 1 |
| Digital Supply Voltage (V) | 3 - 3 |
| Input BW (MHz) | 100 |
| Input VIN ((VPP, differential)) | 4 |
| Integral NonLinearity LSB | 2 |
| Interface | Digital |
| Length (mm) | 17.9 |
| MOQ | 104 |
| Pitch (mm) | 1.3 |
| Pkg. Dimensions (mm) | 17.9 x 7.5 x 0.20 |
| Pkg. Type | SOICW |
| Power Consumption (mW) | 300 |
| Qualification Level | Standard |
| Resolution (bits) | 12 |
| SFDR (dB) (dB) | 83 |
| SNR (dbFS) | 68 |
| Supply Voltage (V) | 5 - 5 |
| Thickness (mm) | 0.2 |
| Width (mm) | 7.5 |
Support is limited to customers who have already adopted these products.
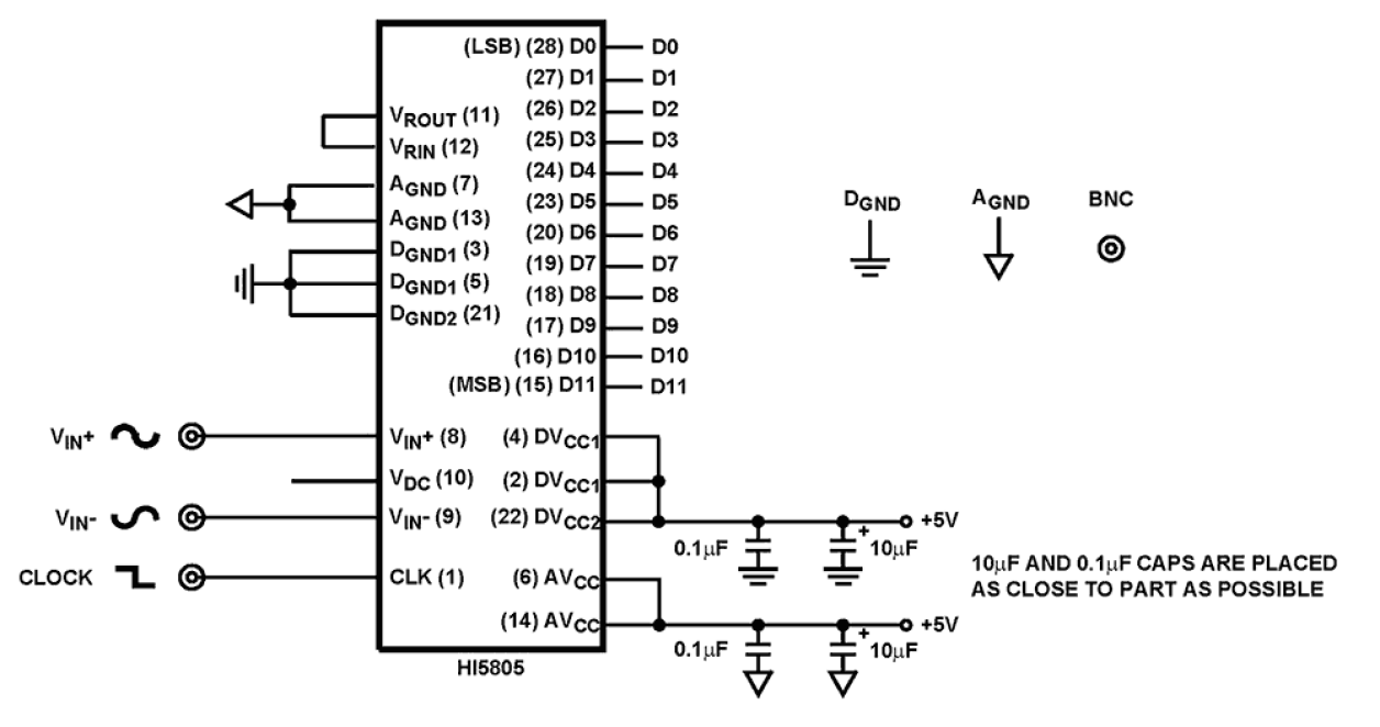
The HI5805 is a monolithic, 12-bit, Analog-to-Digital Converter fabricated in Intersil's HBC10 BiCMOS process. It is designed for high speed, high resolution applications where wide bandwidth and low power consumption are essential. The HI5805 is designed in a fully differential pipelined architecture with a front end differential-in-differential-out sample-and-hold (S/H). The HI5805 has excellent dynamic performance while consuming 300mW power at 5MSPS. The 100MHz full power input bandwidth is ideal for communication systems and document scanner applications. Data output latches are provided which present valid data to the output bus with a latency of 3 clock cycles. The digital outputs have a separate supply pin which can be powered from a 3. 0V to 5. 0V supply.