跳转到主要内容
瑞萨电子 (Renesas Electronics Corporation)

特性

  • Throughput Rate 130MSPS
  • Low Power 175mW at 5V, 32mW at 3V (At 100MSPS)
  • Integral Linearity Error (Typ) ±0.5 LSB
  • Adjustable Full Scale Output Current 2mA to 20mA
  • Internal 1.2V Bandgap Voltage Reference
  • Single Power Supply from +5V to +3V
  • Power-Down Mode
  • CMOS Compatible Inputs
  • Excellent Spurious Free Dynamic Range (76dBc, fS = 50MSPS, fOUT = 2.51MHz)
  • Excellent Multitone Intermodulation Distortion
  • Pb-Free Available (RoHS Compliant)

描述

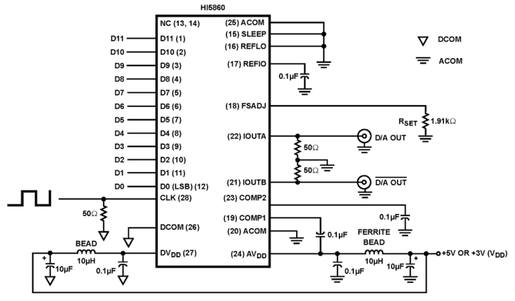
The HI5860 is a 12-bit, 130MSPS (Mega Samples Per Second), High-Speed, low power, D/A converter which is implemented in an advanced CMOS process. Operating from a single +3V to +5V supply, the converter provides 20mA of full scale output current and includes edge-triggered CMOS input data latches. Low glitch energy and excellent frequency domain performance are achieved using a segmented current source architecture. This device complements the HI5x60 and HI5x28 family of High-Speed converters, which includes 8-, 10-, 12-, and 14-bit devices.

应用

  • Basestations (Cellular, WLL)
  • Medical/Test Instrumentation
  • Wireless Communications Systems
  • Direct Digital Frequency Synthesis
  • Signal Reconstruction
  • High Resolution Imaging Systems
  • Arbitrary Waveform Generators

当前筛选条件