| CAD 模型: | View CAD Model |
| Pkg. Type: | SOICW |
| Pkg. Code: | MWZ |
| Lead Count (#): | 20 |
| Pkg. Dimensions (mm): | 12.85 x 7.52 x 0.00 |
| Pitch (mm): | 1.27 |
| Moisture Sensitivity Level (MSL) | 3 |
| Pb (Lead) Free | Yes |
| ECCN (US) | EAR99 |
| HTS (US) | 8542.39.0030 |
| RoHS (HI7191IBZ) | 下载 |
| Lead Count (#) | 20 |
| Carrier Type | Tube |
| Moisture Sensitivity Level (MSL) | 3 |
| Pitch (mm) | 1.3 |
| Pkg. Dimensions (mm) | 12.9 x 7.5 x 0.00 |
| Pb (Lead) Free | Yes |
| Pb Free Category | Pb-Free 100% Matte Tin Plate w/Anneal-e3 |
| Temp. Range (°C) | -40 to +85°C |
| Country of Assembly | PHILIPPINES |
| Country of Wafer Fabrication | UNITED STATES |
| Analog Supply Voltage (V) | -5 - 5 |
| Channels (#) | 1 |
| Conversion Rate (Max) (kSPS) | 2 |
| Digital Supply Voltage (V) | -5 - 5 |
| INL (%FS) | 0.005 |
| Length (mm) | 12.9 |
| MOQ | 760 |
| Pkg. Type | SOICW |
| Power Consumption (mW) | 15 |
| Price (USD) | $25.43044 |
| Qualification Level | Standard |
| Resolution (bits) | 24 |
| Supply Voltage (V) | -5 - 5 |
| Width (mm) | 7.5 |
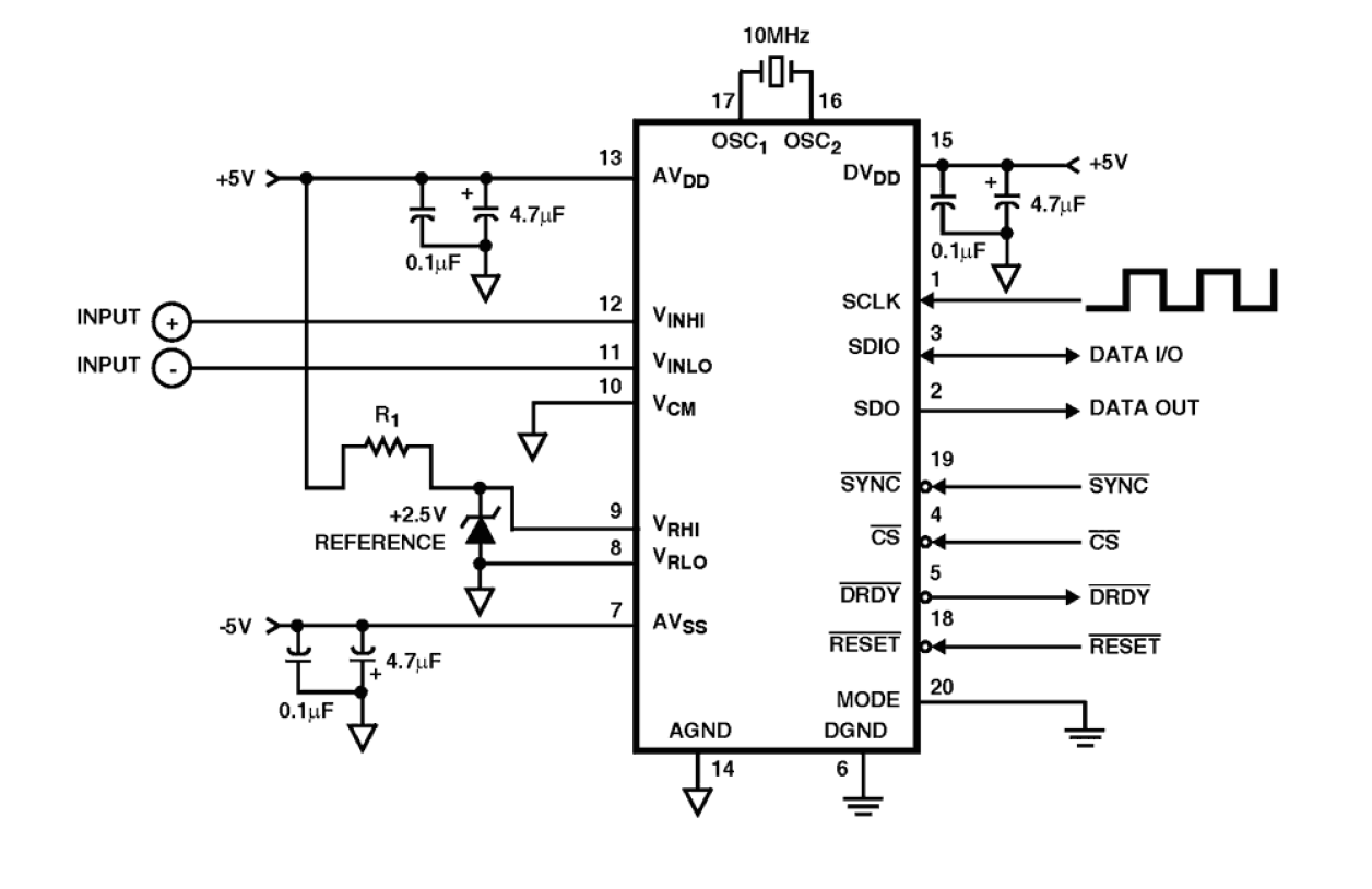
The Intersil HI7191 is a monolithic instrumentation, sigma delta A/D converter which operates from ±5V supplies. Both the signal and reference inputs are fully differential for maximum flexibility and performance. An internal Programmable Gain Instrumentation Amplifier (PGIA) provides input gains from 1 to 128 eliminating the need for external pre-amplifiers. The on-demand converter auto-calibrate function is capable of removing offset and gain errors existing in external and internal circuitry. The on-board user programmable digital filter provides over 120dB of 60/50Hz noise rejection and allows fine tuning of resolution and conversion speed over a wide dynamic range. The HI7190 and HI7191 are functionally the same device, but the HI7190 has tighter linearity specs. The HI7191 contains a serial I/O port and is compatible with most synchronous transfer formats including both the Motorola 6805/11 series SPI and Intel 8051 series SSR protocols. A sophisticated set of commands gives the user control over calibration, PGIA gain, device selection, standby mode, and several other features. The On-chip Calibration Registers allow the user to read and write calibration data.