跳转到主要内容
瑞萨电子 (Renesas Electronics Corporation)

特性

  • Pb-Free Available as an Option (See Ordering Info)
  • Meets All RS-232E and V.28 Specifications
  • Requires Only 0.1µF or Greater External Capacitors
  • High Data Rate 120kbit/s
  • Two Receivers Active in Shutdown Mode (HIN213)
  • Requires Only Single +5V Power Supply
  • Onboard Voltage Doubler/Inverter
  • Low Power Consumption (Typ) 5mA
  • Low Power Shutdown Function (Typ) 1µA
  • Three-State TTL/CMOS Receiver Outputs
  • Multiple Drivers
  • ±10V Output Swing for +5V Input
  • 300Ω Power-Off Source Impedance
  • Output Current Limiting
  • TTL/CMOS Compatible
  • 30V/µs Maximum Slew Rate
  • Multiple Receivers
  • ±30V Input Voltage Range
  • 3kΩ to 7kΩ Input Impedance
  • 0.5V Hysteresis to Improve Noise Rejection

描述

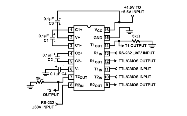
The HIN202, HIN206, HIN207, HIN208, HIN211, HIN213 family of RS-232 transmitters/receivers interface circuits meet all ElA RS-232E and V. 28 specifications, and are particularly suited for those applications where ±12V is not available. They require a single +5V power supply and feature onboard charge pump voltage converters which generate +10V and -10V supplies from the 5V supply. The family of devices offers a wide variety of RS-232 transmitter/receiver combinations to accommodate various applications (see Selection Table). The HIN206, HIN211 and HIN213 feature a low power shutdown mode to conserve energy in battery powered applications. In addition, the HIN213 provides two active receivers in shutdown mode allowing for easy wakeup capability. The drivers feature true TTL/CMOS input compatibility, slew rate-limited output, and 300Ω power-off source impedance. The receivers can handle up to ±30V input, and have a 3kΩ to 7kΩ input impedance. The receivers also feature hysteresis to greatly improve noise rejection.

产品参数

属性
Temp. Range (°C)-40 to +85°C, 0 to +70°C
Charge-pump Capacitance Value (µF)0.1

封装选项

Pkg. TypePkg. Dimensions (mm)Lead Count (#)Pitch (mm)
SOICN9.9 x 3.9 x 0.00161.3
SOICW10.3 x 7.5 x 0.20161.3

应用

  • Any system requiring high-speed RS-232 communications port
  • Computer - portable, mainframe, laptop
  • Peripheral - printers and terminals
  • Instrumentation, UPS
  • Modems, ISDN terminal adaptors

当前筛选条件