跳转到主要内容

特性

  • 在三相桥配置中独立驱动 6 个 N 沟道 MOSFET
  • 自举电源最高电压可达 95VDC,偏置电源电压为 7V 至 15V
  • 1.25A 峰值关断电流
  • 用户可编程死区时间(0.5μs 至 4.5μs)
  • 自举和可选电荷泵可保持高端驱动器偏置电压。
  • 可编程自举刷新时间
  • 驱动 1000pF 负载,典型上升时间为 20ns,下降时间为 10ns
  • 可编程欠压设定点

描述

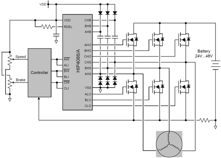
HIP4086 和 HIP4086A(亦称 HIP4086/A)是三相 N 沟道 MOSFET 驱动器。 这两款器件均专门用于 PWM 电机控制。 这些驱动器具有灵活的输入协议,用于驱动所有可能的开关组合。 对于开关磁阻应用,用户甚至可以覆盖击穿保护功能。 HIP4086/A 的可编程死区时间范围较宽(0.5μs 至 4.5μs),因此非常适合电机驱动器通常使用的低频(最高 100kHz)。 HIP4086 和 HIP4086A 的唯一区别是 HIP4086A 禁用了内置电荷泵。 该功能非常有利于需要安静 EMI 性能的应用(电荷泵工作频率为 10MHz)。 HIP4086 的优势在于内置的电荷泵可以无限延长高端驱动器的导通时间。 为确保高端驱动器启动电容器在开启前充满电,在首次应用 VDD 时会激活一个可编程启动刷新脉冲。 激活时,刷新脉冲会打开所有三个低端桥式场效应晶体管,同时关闭三个高端桥式场效应晶体管,以便为高端启动电容器充电。 刷新脉冲清除后,开始正常运行。 HIP4086/A 的另一个实用功能是可编程欠压设定点。 设定点范围从 6.6V 至 8.5V 不等。

产品参数

属性
Function 3-Phase MOSFET Driver
Input Voltage Range (V) 7 - 80
Input Voltage (Max) (V) 95
VBIAS (Max) (V) 15
Quiescent Current 40 µA
ISOURCE (Max) (mA) 500
ISINK (Max) (mA) 1100
Internal Buck Regulator No
Gate Drive (V) 15
Internal Auxiliary Power No
Adaptive Dead Time No
VOUT Slew-rate Control No
Charge Pump Yes
Intern Gain Amplifiers No
Internal Sample & Hold No
Input Control HI/LI
Input Logic Level 3.3V/TTL
Advanced Fault Protection Yes
Qualification Level Standard

封装选项

Pkg. Type Pkg. Dimensions (mm) Lead Count (#) Pitch (mm)
SOICW 15.4 x 7.5 x 0.00 24 1.3

应用方框图

Multi-Functional Cordless Drill with Wire Detection Block Diagram
多功能无线电钻,带电线检测功能
带有 IoT 的无线电钻设计可实现电线检测、蓝牙控制、角度调节和增强的可见性。
48V BLDC Motor Position Control Block Diagram
48V 无刷直流(BLDC)电机位置控制
高效的无刷直流(BLDC)电机系统,具有精确控制、快速唤醒和无缝组件集成功能。

其他应用

  • 无刷电机(BLDC)
  • 三相交流电机
  • 开关磁阻电机驱动器
  • 电池供电车辆
  • 电池供电工具

当前筛选条件

This video discusses the HIP4086, 80V, 500mA, 3-Phase MOSFET Driver, at APEC 2013.

Transcript

Hello my name is Evan Jian. Today, I'm at APEC conference 2013 to introduce you to the HIP4086 BLDC three-phase motor drive demonstration board. This demonstration board provides you with a reference design for ebikes, battery powered tools and other applications using three-phase BLDC motor drive. The HIP4086 bridge FET drivers can independently control six-channel N-MOSFETs and also are specifically designed for low noise and improved EMI application. It has very low quiescent currents as well as fast turn on and turn off speed to reduce switch loss and improve efficiency. Also the device is very easy to configure. It provides the use of programmable UVL, dead time, bootstraps, refresh time, and so on.

This demonstration board has all sensors in supporting all possible switching logic. It has 5V buck regulators and 12V regulators to provide power for the MOSFET drivers and the microcontrollers and all sensors on this board. The reference design has a pre-programmed open loop control for the three-phase BLDC motor drive. It also provides an interface for users to modify the program.

Now, I'm going to demonstrate the functions of the demo board. There are four functions of this board. First we have start and stop function, if I push this button the motor will start to spin and there's a potential meter on this board but we can use a screw driver to adjust the motor spinning speed, speed up and speed down. You push the start stop button the motor will gradually slow down and then stop, start again. The second button is reverse function so I push this reverse function button the motor will gradually slow down and then reverse the rotating direction. Another button is the brake. I press it and immediately stop and the fourth button is reset. I push the reset button, the program in the microcontroller resets.

Thank you for watching this video.