跳转到主要内容
瑞萨电子 (Renesas Electronics Corporation)

特性

  • Multiphase Power Conversion
  • Precision Channel Current Sharing
  • Loss Less Current Sampling - Uses rDS(ON)
  • Precision CORE Voltage Regulation
  • ±1% System Accuracy Over Temperature
  • Microprocessor Voltage Identification Input
  • 5-Bit VID Input
  • 1.100V to 1.850V in 25mV Steps
  • Programmable "Droop" Voltage
  • Fast Transient Recovery Time
  • Over Current Protection
  • High Ripple Frequency, (Channel Frequency) Times Number Channels 100kHz to 3MHz
  • Pb-Free Available (RoHS Compliant)

描述

Support is limited to customers who have already adopted these products.

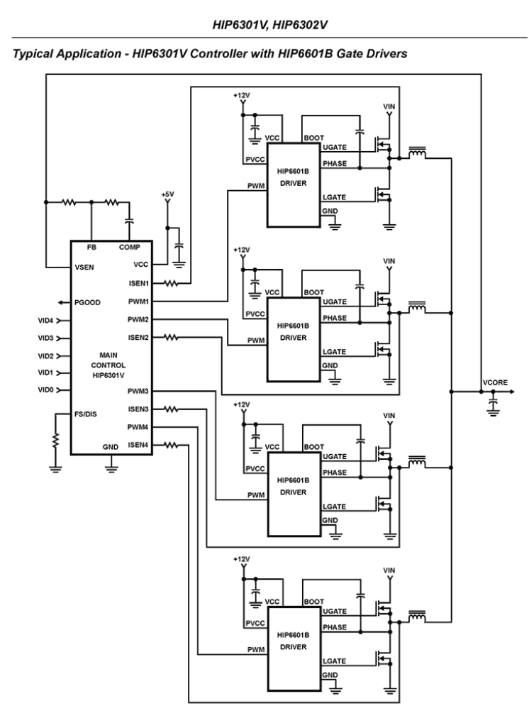
The HIP6302 Multiphase PWM control IC together with its companion gate drivers, the HIP6601, HIP6602 or HIP6603 and Intersil MOSFETs provides a precision voltage regulation system for advanced microprocessors. Multiphase power conversion is a marked departure from earlier single phase converter configurations previously employed to satisfy the ever increasing current demands of modern microprocessors. Multiphase convertors, by distributing the power and load current results in smaller and lower cost transistors with fewer input and output capacitors. These reductions accrue from the higher effective conversion frequency with higher frequency ripple current due to the phase interleaving process of this topology. For example, a two phase convertor operating at 350kHz will have a ripple frequency of 700kHz. Moreover, greater convertor bandwidth of this design results in faster response to load transients. Outstanding features of this controller IC include programmable VID codes from the microprocessor that range from 1. 100V to 1. 850V with a system accuracy of ±1%. Pull up currents on these VID pins eliminates the need for external pull up resistors. In addition droop compensation, used to reduce the overshoot or undershoot of the CORE voltage, is easily programmed with a single resistor. Another feature of this controller IC is the PGOOD monitor circuit which is held low until the CORE voltage increases, during its Soft-Start sequence, to within 10% of the programmed voltage. Over-voltage, 15% above programmed CORE voltage, results in the converter shutting down and turning the lower MOSFETs ON to clamp and protect the microprocessor. Under voltage is also detected and results in PGOOD low if the CORE voltage falls 10% below the programmed level. Over-current protection reduces the regulator current to less than 25% of the programmed trip value. These features provide monitoring and protection for the microprocessor and power system.

当前筛选条件