跳转到主要内容
瑞萨电子 (Renesas Electronics Corporation)

特性

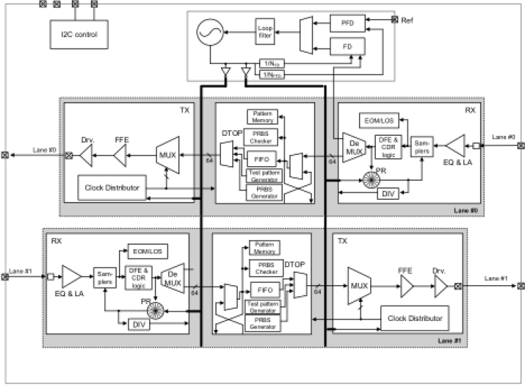
  • Dual 51 – 2GS/s PAM-4 CDR / Retimer
  • Programmable 3-tap output de-emphasis for transmit
  • Adaptive linear equalizer and decision-feedback equalizer (DFE) to cover up to 14 dB lossy channel in receiver
  • Low sensitivity of and adjustable threshold level of data sampler
  • Reference-less and Master channel-less operation
  • Independent, adaptive bandwidth control in RX CDR for optimum jitter tolerance
  • Programmable output swing up to 800mVpp
  • Internal and automatic DC and phase offset calibrations
  • On-chip testability; EOM, JTOL, PRBS generator/checker, local/remote loopback,
  • Polarity (P/N) inversion
  • I2C control interface

描述

The HXC44200 is a bi-directional Dual Channel PAM-4 CDR / Retimer for retiming data rates from 51GS/s to 56GS/s. It is optimized for 50Gbps Ethernet, OIF CEI-56G-VSR applications with low power consumption of sub-250mW per channel (56Gbps).

The HXC44200 provides programmable and adaptive equalization in the receiver and programmable de-emphasis in the transmitter to compensate for channel Insertion Loss and ISI. In the receive direction, the programmable / adaptive CTLE provides up to 7 dB of equalization and a 1-tap DFE provides additional compensation. In the transmit direction, the programmable, 4-bit, de-emphasis with 3-tap FIR (pre,main,post) filter provides a 9 dB control range.

Auto DC-offset calibration is complemented with auto phase calibration and the unique CDR / Retimer architecture enables independent receive and transmit CDR loop bandwidth optimization for increased Jitter Tolerance and reduced Jitter Transfer performance.

Able to be used with or without a reference clock with a built-in, single 14GHz master VCO providing the oscillator output for each channel.

Multiple Built in Self-Test (BIST) functions such as a PRBS generator / checker, Jitter Tolerance, Eye Open Monitor, and single lane loopback are supported for module level testing.

The HXC44200 has an I2C interface that is used to set the start-up operating mode for the internal state machine which performs all required calibrations and settings. The HXC44200 is packaged in a 5x5mm BGA in 9×9 grid of 0.5mm pitch.

当前筛选条件