跳转到主要内容
瑞萨电子 (Renesas Electronics Corporation)

特性

  • Quad Integrated 56Gb/s PAM4 Linear TIA with CDR
  • Low power – typical 400mW per channel 
  • Typical 700mVppd output (adjustable) 
  • Up to 3mApp overload
  • Integrated clock and data recovery unit
  • Independent, per channel receiver signal strength indicator (RSSI) 
  • 5kΩ typical differential gain
  • Linear operation with internal automatic gain control (AGC)
  • Adaptive linear equalizer and decision feedback equalizer (DFE) at the receiver 
  • Programmable 3-tap de-emphasis at the transmitter
  • Support reference-less and reference clock modes
  • On-chip testability: eye-opening monitor (EOM), jitter tolerance (JTOL), PRBS generator, error checker
  • Support both isolated and common cathode photo-detector (PD) arrays
  • I2C interface control 

描述

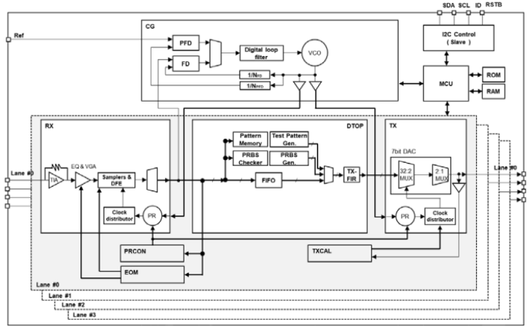
The HXR14450 is a quad-channel, low-power, linear transimpedance amplifier (TIA) with an integrated clock and data recovery (CDR) unit. It is a member of the family of optical receiver transmitter array (ORTA) products for high-speed optical interconnects. It is based on PAM4 modulation for next-generation Datacom applications. 

The HXR14450 integrates a linear transimpedance pre-amplifier, linear post-amplifier, CDR unit, and a versatile output stage in one chip for higher density and lower power consumption applications.

当前筛选条件