跳转到主要内容
瑞萨电子 (Renesas Electronics Corporation)

特性

  • 20mApp receiver sensitivity for 10^-12 BER at 10.3 Gbps
  • Better than 1.5mApp overload
  • 66mW per channel power consumption with low power setting
  • Adjustable output swing size and pre-emphasis mode and signal detect threshold
  • Independent RSSI
  • Optimized for isolated and common cathode photo-detector arrays from multiple vendors
  • Control lines accessible on both sides of the chip
  • QSFP MSA compliance

描述

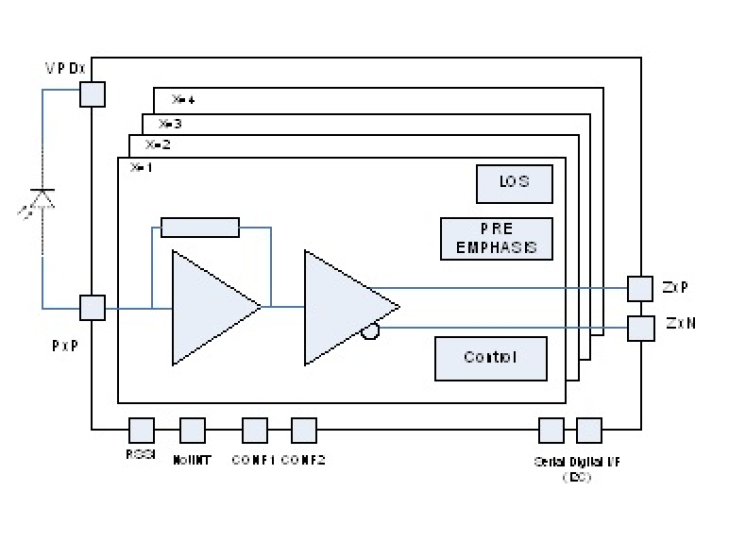
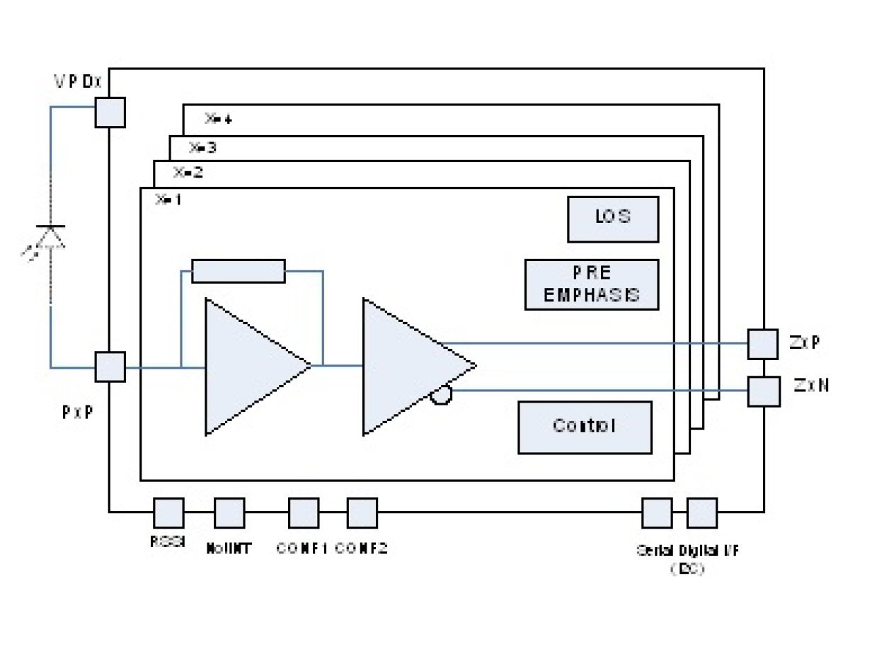
The HXR5004A Transimpedance Limiting Amplifier array is a member of the family of Optical Receiver Transmitter Array (ORTA) products targeted at the parallel optical links market. Together with a PIN detector array or discrete detectors, high capacity, high availability optical links can be designed for telecom and datacom applications. The 3.3V SiGe device integrates the transimpedance preamplifier, the limiting post-amplifier and a versatile CML output stage for four optical channels.

当前筛选条件