跳转到主要内容
瑞萨电子 (Renesas Electronics Corporation)

特性

  • Supports Modulation / BIAS currents up to: IMOD = 60mAPP and IBIAS = 60mAPP
  • 2.5V to 3.3V Supply operation
  • Programmable Input Equalization
  • Input Signal Detect (SD) with Squelch
  • Programmable Input Polarity Inversion
  • Programmable Pulse Width Adjustment
  • Programmable Laser Modulation Current Amplitude, Peaking, and Peaking Duration
  • Integrated Temperature Sensor
  • Interrupts with User selectable Mask control
  • Laser Disable for IMOD and IBIAS
  • 2-wire interface control and symmetric pad design maximize module design flexibility
  • QSFP MSA Compliant

描述

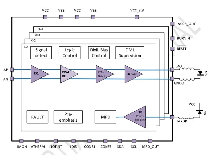
The HXT42400 is a low power, Direct Modulated Laser (DML) driver array for CLR4 / LR4 optical applications that supports data rates up to 28Gbps and optical reach up to 10km. In conjunction with a DFB laser diode array or individual DFB laser diodes, the device handles the complete digital-to-optical conversion, including a CML input stage with equalization, laser driver IBIAS and IMOD current drive control, and supervision. Designed for direct DC-coupled anode drive of the DFB laser diode for cost-effective and compact assemblies. Available in die form.

当前筛选条件