跳转到主要内容
瑞萨电子 (Renesas Electronics Corporation)

特性

  • 290mW power dissipation per channel
  • Supports up to: IMOD = 60mAPP and IBIAS = 60mA with VCC = 3.3V for lower power
  • Integrated 12-bit ADC with 6-channel analog multiplexor front-end
  • Programmable 8-bit laser modulation and bias current control
  • Integrated bias monitor, transmit and receive power monitor capability
  • Automatic power control (APC)
  • Programmable input LOS and Squelch function with disable, transmit disable, and transmit fault indication
  • Programmable input CTLE
  • Integrated temperature sensor and input for external module temperature sensor
  • Interrupts with user selectable mask control
  • Input polarity inversion
  • Laser disable for IMOD and IBIAS
  • Integrated OTP for calibration
  • 2-wire interface control

描述

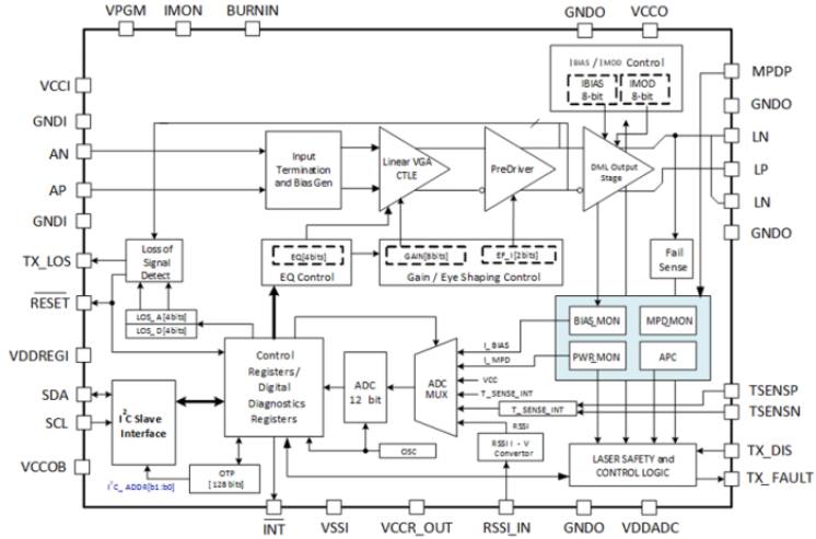
The HXT44120 is a single channel, low power, Linear PAM4 Directly-Modulated Laser (DML) driver for LR applications. It supports signaling rates up to 28GBuad or 56Gbps in PAM4 modulation. In conjunction with an individual DML, the HXT44120 handles the complete electrical-to-optical conversion, including CML input with equalization, laser bias and modulations, laser power control and supervision.

The HXT44120 also integrates a number of functions required for Automatic Power Control (APC), as well as internal and module temperature measurements and reporting. With an additional RSSI input, one can directly measure the module receive optical power and report it.

HXT44120 is designed as a directly DC-coupled die used in a TOSA application. Thus, one can reduce the number of discrete components for better RF performance, cost-effective and compact assemblies.

当前筛选条件