跳转到主要内容
瑞萨电子 (Renesas Electronics Corporation)

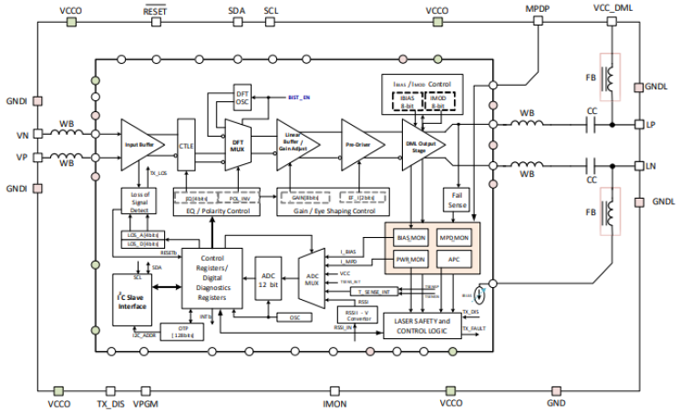
特性

  • 310mW power dissipation per channel
  • Supports up to: IMOD = 50mAPP and IBIAS = 120mA with VCC = 3.3V
  • Integrated 12-bit ADC with 6-channel analog multiplexer front-end
  • Programmable 8-bit laser modulation bias (average) current controls
  • Integrated bias monitor, transmit and receive power monitor capability
  • Automatic power control (APC)
  • Programmable input LOS and Squelch function with disable, transmit disable, and transmit fault indication
  • Programmable input CTLE
  • Integrated temperature sensor and input for external module temperature sensor
  • Interrupts with user-selectable mask control
  • Input polarity inversion
  • Laser disable for IMOD and IBIAS
  • Integrated OTP for calibration
  • 2-wire interface control

描述

The HXT44121-1 is a single-channel, low-power, linear PAM4 Directly Modulated Laser (DML) driver with differential output and anti-reflection buffer design for LR applications. It supports signaling rates up to 56Gbps PAM4. In conjunction with a DML, the HXT44121-1 provides complete electrical-to-optical conversion, CML input with equalization, laser bias and modulations, laser power control, and various supervision.

The HXT44121-1 integrates several functions required for Automatic Power Control (APC), as well as internal and module temperature measurements and reporting. With an additional RSSI input, the user can directly measure the module receive optical power and report it. The device is designed as an AC-coupled packaged driver to work with TO-CAN or TOSA type of DML lasers.

当前筛选条件