跳转到主要内容

特性

  • Data rate up to 56Gbaud per channel for PAM4 applications
  • Low power consumption of 250mW per channel
  • > 45GHz bandwidth
  • Built-in Bias-T and internal high-frequency chokes
  • > 10dB dynamic range of gain control
  • Peaking on/off control
  • Low channel cross-talk
  • Small form-factor SMD
  • Internally DC-blocked RF inputs and outputs 

描述

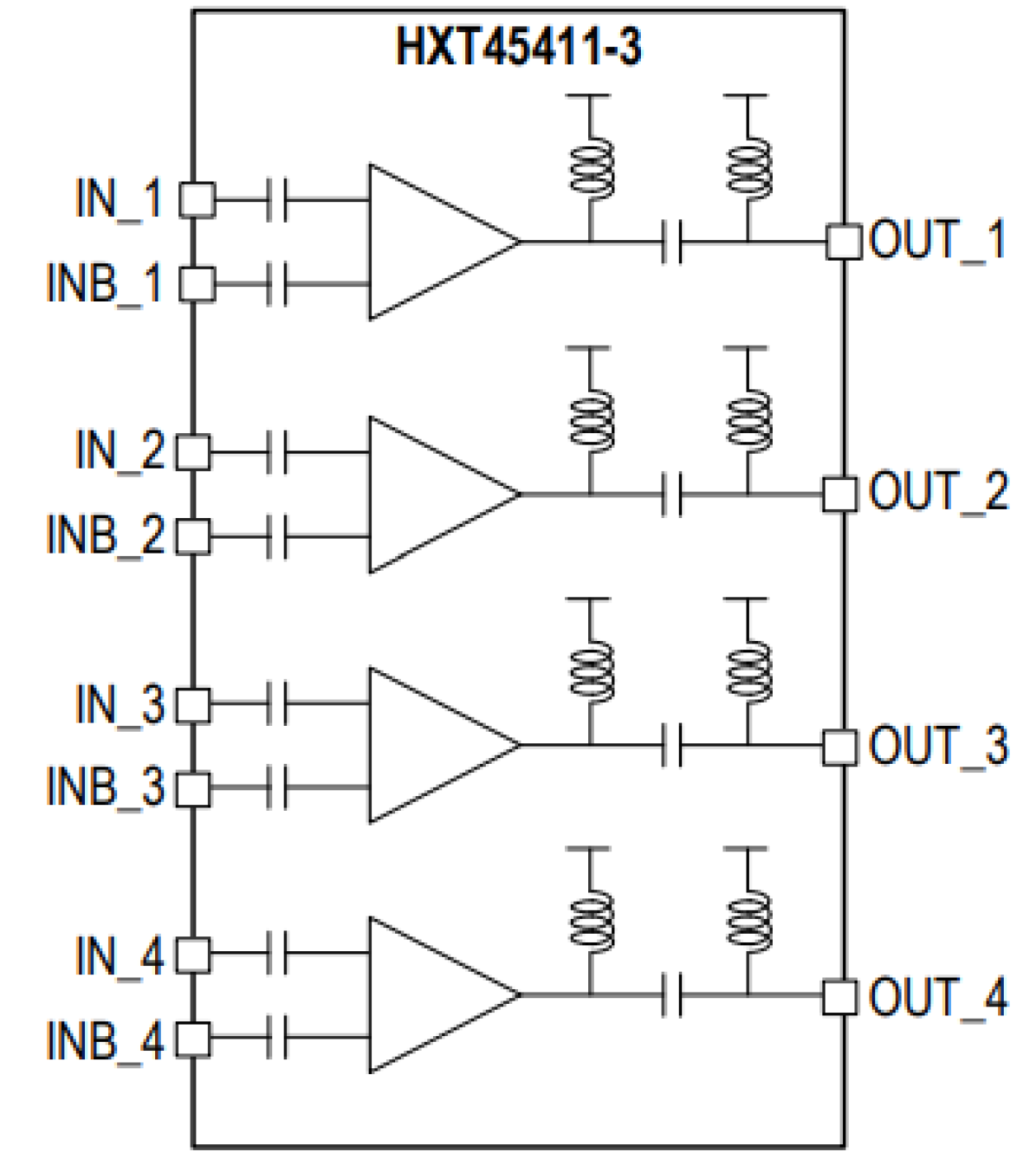
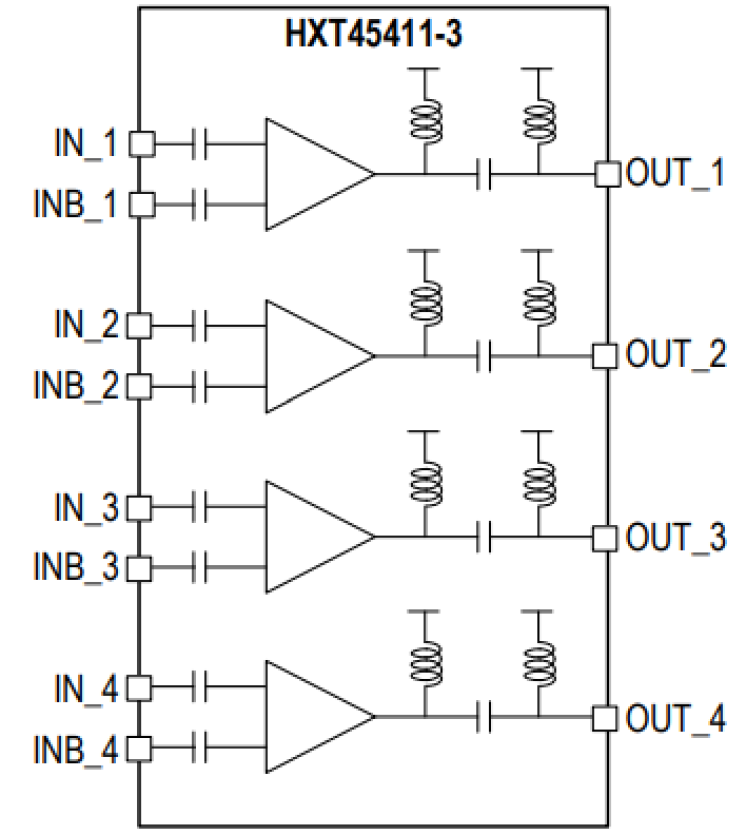
The HXT45411-3 is a quad-channel linear EML driver array, which is a member of Renesas' family of Optical Receiver Transmitter Array (ORTA) products. Combining the HXT45411-3 driver with an EML array or a group of discrete EMLs enables designs for compact linear transmitters for the next generation of 400G/800G optical transceivers.

The HXT45411-3 is a low-power, high-performance, quad-channel linear driver, designed for 4x112Gb/s PAM4 EML–based transceivers. The HXT45411-3 is a small form factor (SFF) packaged surface mount device (SMD) with differential inputs and single-ended outputs consisting of 4x56Gbaud broadband amplifier channels, each capable of driving a linear output voltage of 2.0VPP, suitable for 4λ 400G PAM-4 applications.

当前筛选条件