跳转到主要内容
瑞萨电子 (Renesas Electronics Corporation)

特性

  • Pb-free (RoHS compliant)
  • ±15kV ESD protected (Human Body Model)
  • 5V lower power replacement for the MAX207, HIN207, and HIN237
  • Meets EIA/TIA-232 and V.28/V.24 specifications at 3V
  • Latch-up free
  • On-chip voltage converters require only four external 0.1µF capacitors
  • Receiver hysteresis for improved noise immunity
  • Ensured minimum data rate: 250kbps
  • Ensured minimum slew rate: 6V/µs
  • Wide power supply range: Single +3V to +5.5V

描述

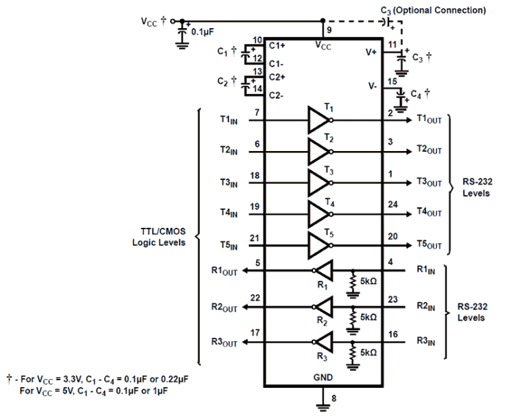
The ICL3207 is a 3. 0V to 5. 5V powered RS-232 transmitter/receiver that meets ElA/TIA-232 and V. 28/V. 24 specifications, even at VCC = 3. 0V. The ICL3207 features five transmitters and three receivers. Targeted applications are ISDN Terminal Adapters (TAs), PDAs, Palmtops, peripherals, and notebook and laptop computers where the low operational power and even lower standby power consumption is critical. Small footprint packaging and the use of small, low value capacitors ensure board space savings. Data rates greater than 250kbps are ensured at worst case load conditions. The ICL3207 is fully compatible with 3. 3V only systems, mixed 3. 3V and 5. 0V systems, and 5. 0V only systems. The ICL3207 is a lower power, pin-for-pin replacement for the MAX207, HIN207, and HIN237.

应用

  • Any System Requiring RS-232 Communication Ports Battery Powered, Hand-Held, and Portable Equipment Laptop Computers, Notebooks, Palmtops Modems, Printers and other Peripherals ISDN Terminal Adaptors and Set Top Boxes

当前筛选条件