跳转到主要内容
瑞萨电子 (Renesas Electronics Corporation)

特性

  • Pb-free (RoHS compliant)
  • ESD protection for RS-232 I/O pins to ±15kV (IEC61000)
  • Manual and enhanced automatic powerdown features
  • Drop in replacements for MAX3225E, MAX3227E, MAX3245E
  • RS-232 compatible with VCC = 2.7V
  • Meets EIA/TIA-232 and V.28/V.24 specifications at 3V
  • Latch-up free
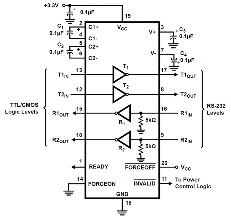
  • On-chip voltage converters require only four external 0.1µF capacitors
  • Ensured mouse driveability (ICL3245E)
  • “Ready to Transmit” indicator output (ICL3225E/ICL3227E)
  • Receiver hysteresis for improved noise immunity
  • Ensured minimum data rate: 1Mbps
  • Low skew at transmitter/receiver input trip points: 10ns
  • Ensured minimum slew rate: 24V/µs
  • Wide power supply range: single +3V to +5.5V
  • Low supply current in powerdown state: 1µA

描述

The ICL3225E, ICL3227E, and ICL3245E devices are 3. 0V to 5. 5V powered RS-232 transmitters/receivers that meet ElA/TIA-232 and V. 28/V. 24 specifications, even at VCC = 3. 0V. They provide ±15kV ESD protection (IEC61000-4-2 Air Gap and Human Body Model) on transmitter outputs and receiver inputs (RS-232 pins). Targeted applications are PDAs, Palmtops, and notebook and laptop computers where the low operational power consumption and even lower standby power consumption are critical. Efficient on-chip charge pumps coupled with manual and enhanced automatic powerdown functions, reduce the standby supply current to a 1µA trickle. Small footprint packaging and the use of small, low value capacitors ensure board space savings. Data rates greater than 1Mbps are ensured at worst case load conditions. This family is fully compatible with 3. 3V only systems, mixed 3. 3V and 5. 0V systems, and 5. 0V only systems. The ICL3245E is a 3-driver, 5-receiver device that provides a complete serial port suitable for laptop or notebook computers. It also includes a noninverting always-active receiver for “wake-up” capability. The ICL3225E, ICL3227E, and ICL3245E feature an enhanced automatic powerdown function that powers down the on-chip power supply and driver circuits. Powerdown occurs when all receiver and transmitter inputs detect no signal transitions for a period of 30s. These devices power back up automatically whenever they sense a transition on any transmitter or receiver input.

应用

  • Any System Requiring RS-232 Communication Ports Battery Powered, Hand-Held, and Portable Equipment Laptop Computers, Notebooks, Palmtops Modems, Printers and Other Peripherals Digital Cameras Cellular/Mobile Phones

当前筛选条件