特性
- Guaranteed 10µA maximum quiescent current over-temperature
- Guaranteed wider operating voltage range over entire operating temperature range
- 2% threshold accuracy (ICL7665SA)
- Dual comparator with precision internal reference
- 100ppm/°C temperature coefficient of threshold voltage
- 100% tested at 2V
- Output current sinking ability: Up to 20mA
- Individually programmable upper and lower trip voltages and hysteresis levels
- Pb-Free available (RoHS Compliant)
描述
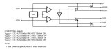
The ICL7665S super CMOS micropower Over/Under voltage detector contains two low power, individually programmable voltage detectors on a single CMOS chip. Requiring typically 3μA for operation, the device is intended for battery-operated systems and instruments which require high or low voltage warnings, settable trip points, or fault monitoring and correction. The trip points and hysteresis of the two voltage detectors are individually programmed via external resistors. An internal bandgap type reference provides an accurate threshold voltage while operating from any supply in the 1. 6V to 16V range. The ICL7665S, super programmable Over/Under voltage detector is a direct replacement for the industry standard. The ICL7665B offering wider operating voltage and temperature ranges, improved threshold accuracy (ICL7665SA), and temperature coefficient, and guaranteed maximum supply current. All improvements are highlighted in the electrical characteristics section. All critical parameters are guaranteed over the entire commercial and industrial temperature ranges.
产品参数
| 属性 | 值 |
|---|---|
| Voltage Monitors (#) | 2 |
| Input Voltage (Min) (V) | 1.6 |
| Input Voltage (Max) (V) | 16 |
| Adjustable POR Timeout | No |
| Adjustable Vtrip | Yes |
| Fixed Vtrip | No |
| Interface | N/A |
| Manual Reset | No |
| Monitor Voltage (Max) (V) | 16 - 16 |
| WDT | No |
| TwinPin™ MR#/RST# | No |
| Reset Output Type | Active Low |
| VMONITOR | Adj to 1.3V Ref |
| Advanced Features | Programmable Hysteresis |
| Qualification Level | Standard |
封装选项
| Pkg. Type | Pkg. Dimensions (mm) | Lead Count (#) | Pitch (mm) |
|---|---|---|---|
| SOICN | 4.9 x 3.9 x 0.00 | 8 | 1.3 |
应用
- Pocket pagers
- Portable instrumentation
- Charging systems
- Memory power back-up
- Battery operated systems
- Portable computers
- Level detectors
当前筛选条件