| CAD 模型: | View CAD Model |
| Pkg. Type: | SOICW |
| Pkg. Code: | MFN |
| Lead Count (#): | 20 |
| Pkg. Dimensions (mm): | 12.80 x 7.49 x 2.21 |
| Pitch (mm): | 1.27 |
| Moisture Sensitivity Level (MSL) | 1 |
| Pb (Lead) Free | Exempt |
| ECCN (US) | EAR99 |
| HTS (US) | 8542.39.0090 |
| RoHS (ISL12022MIBZ) | 下载 |
| Lead Count (#) | 20 |
| Carrier Type | Tube |
| Moisture Sensitivity Level (MSL) | 1 |
| Pb (Lead) Free | Exempt |
| Pb Free Category | Pb-Free 100% Matte Tin Plate w/Anneal-e3 |
| Temp. Range (°C) | -40 to +85°C |
| Country of Assembly | PHILIPPINES |
| Country of Wafer Fabrication | SINGAPORE |
| Accuracy | ±5 ppm |
| Alarms (#) | 1 |
| Battery Backup | Yes |
| Battery Current (nA) | 1000 |
| Battery Seal | Yes |
| Batttery Voltage Range (V) | 1.8 - 5.5 |
| CPU Supervisory Function POR | No |
| CPU Supervisory Function Watchdog Timer | No |
| Crystal Frequency Trimming | Yes |
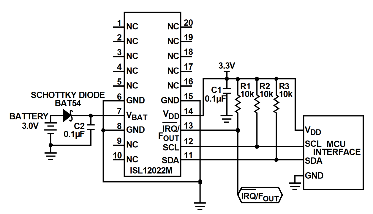
| Frequency Out | IRQ_bar/FOUT |
| Frequency Out Pin | Yes |
| IRQ Pin | Yes |
| IRQ_bar | IRQ_bar/FOUT |
| Interface | I2C |
| Length (mm) | 12.8 |
| MOQ | 760 |
| Memory Type | RAM |
| Oscillator Compensation | -336 to +337 |
| Other Functions | Battery Switchover Time Stamp, Battery Status Monitor, Brown-out Alarm, Daylight Savings |
| Pitch (mm) | 1.3 |
| Pkg. Dimensions (mm) | 12.8 x 7.5 x 2.21 |
| Pkg. Type | SOICW |
| Price (USD) | $4.2958 |
| RESET_bar | No |
| Reset | No |
| SRAM | 128 Bytes |
| Selectable Frequency Output | 15 |
| Supply Voltage Vcc (Min) (V) | 2.7 |
| Supply Voltage Vcc Range | 2.7 to 5.5 |
| TRIP Voltage for POR | 6 Select VTRIP Levels |
| Tamper Detect | No |
| Thickness (mm) | 2.21 |
| Time Keeping Current (µA) | 3.5 |
| Timer | No |
| Width (mm) | 7.5 |
| field__battery_voltage_max_ | 5.5 |
| field__battery_voltage_min_ | 1.8 |
The ISL12022M device is a low-power real-time clock (RTC) with an embedded temperature sensor and crystal. Device functions include oscillator compensation, clock/calendar, power fail and low battery monitors, brownout indicator, one-time, periodic, or polled alarms, intelligent battery backup switching, Battery Reseal™ function, and 128 bytes of battery-backed user SRAM. The backup battery current draw is less than 1.6µA over the temperature range. The device is offered in a 20 Ld SOIC module that contains the RTC and an embedded 32.768kHz quartz crystal. The calibrated oscillator provides less than ±5ppm drift over the full -40 °C to +85 °C temperature range. The RTC tracks time with separate registers for hours, minutes, and seconds. The calendar registers track date, month, year, and day of the week and are accurate through 2099, with automatic leap year correction. Daylight Savings time adjustment is done automatically, using parameters entered by the user. Power fail and battery monitors offer user-selectable trip levels. The time stamp function records the time and date of the switchover from VDD to VBAT power, and also from VBAT to VDD power.