跳转到主要内容

特性

  • Single differential driver
  • Internal VCM
  • 90MHz signal bandwidth
  • 900V/μs slew rate
  • Single +8V to +28V supply, absolute maximum 30V
  • Supports narrowband and broadband DMT PLC
  • -86dB THD at 200kHz in to 50Ω line load
  • -70dB THD at 3MHz in to 50Ω line load
  • Control pin for enable/disable for TDM operation
  • Thermal shutdown

描述

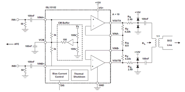
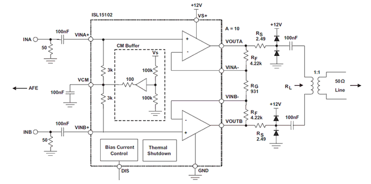
The ISL15102 is a single port differential line driver developed for Power Line Communication (PLC) applications. The device is designed to drive heavy line loads while maintaining a high level of linearity required in Orthogonal Frequency Division Multiplexing (OFDM) PLC modem links. The ISL15102 has a disable control pin (DIS). In Disable mode, the line driver goes into Low Power mode and the outputs maintain a high impedance in the presence of high receive signal amplitude, improving TDM receive signal integrity. The ISL15102 has built-in thermal protection. When the internal temperature reaches +150°C (typical) the driver shuts down to prevent damage to the device. An internal input CM buffer maximizes the dynamic range and reduces the number of external components in the application circuit. The ISL15102 is supplied in a thermally-enhanced small footprint (4mmx5mm) 24 Ld QFN package. The ISL15102 is specified for operation across the -40°C to +105°C operating ambient temperature range.

产品参数

属性
Bandwidth (MHz) 90
Channels (#) 1
Slew Rate (V/µs) 900
VS (Min) (V) 8
VS (Max) (V) 28
IS per Amp (mA) 21
Noise VN (nV/√Hz) 8.5
IBIAS (nA) 3000
Offset Voltage (Max) (mV) 17
IOUT (A) 0.75
IOUT @ RL 0.2A @ 50Ω
VOUT (V) 20
Rail-to-Rail Input No
Rail-to-Rail Output No
Thermal Shutdown Yes
THD (dB) -65
Enable Yes
Qualification Level Standard

封装选项

Pkg. Type Pkg. Dimensions (mm) Lead Count (#) Pitch (mm)
QFN 4.0 x 5.0 x 0.90 24 0.5

应用方框图

Level 2 EV Charger Wall Box Block Diagram
二级 EV 充电器壁挂式充电盒
模块化 EV 充电器设计,具有灵活的通信、OTA 更新和简化的高压电源。
Central Vacuum Cleaner Block Diagram
中央真空吸尘器
BLDC 电机中央吸尘器提供能源效率和远程控制功能,以提高便利性。
Smart 3-Ph E-Meter Block Diagram
智能三相电表
智能三相电表,具有双向通信和篡改检测功能,适用于现代电网。
Interactive block diagram of this flexible metering system features ultra-low power metrology MCUs, UART with optical isolation, and Sub-1 GHz MCU.
智能单相电表
灵活的电能计量系统,支持有线和无线通信、篡改检测和隔离功能。
Power Meter with Power Line Communication Block Diagram
电力线通信(PLC)节点
PLC 节点系统支持 G3/PRIME 标准,用于智能建筑通信。

当前筛选条件