跳转到主要内容
瑞萨电子 (Renesas Electronics Corporation)

特性

  • Reference output voltage option
  • 1.25V, 2.5V, 5.0V, and 7.5V
  • Initial accuracy:
    • ISL21090-12: ±0.03%
    • ISL21090-25: ±0.02%
    • ISL21090-50: ±0.025%
    • ISL21090-75: ±0.035%
  • Output voltage noise (0.1Hz to 10Hz): 1.0µVP-P typ (1.25V option)
  • Supply current : 750µA (1.25V option)
  • Temperature coefficient: 7ppm/°C max
  • Output current capability: 20mA
  • Line regulation: 6ppm/V (1.25V option)
  • Load regulation: 2.5ppm/mA (1.25V option)
  • Operating temperature range: -40 °C to +125 °C

描述

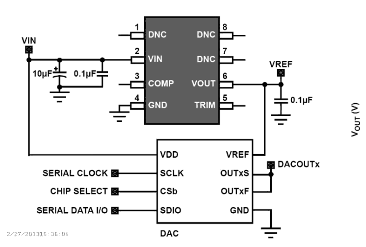
The ISL21090 is an ultra-low noise, high DC accuracy precision voltage reference with a wide input voltage range. The ISL21090 uses Renesas' Advanced Bipolar technology to achieve sub 1.0µVP-P (1.25V option) 0.1Hz to 10Hz noise with an initial voltage accuracy of 0.02% (2.5V option). The ISL21090 offers 1.25V, 2.5V, 5.0V, and 7.5V output voltage options with a 7ppm/°C temperature coefficient and also provides excellent line and load regulation. These devices are offered in an 8 Ld SOIC package. The ISL21090 is ideal for high-end instrumentation, data acquisition and processing applications requiring high DC precision where low noise performance is critical.

应用

  • High-end instrumentation
  • Precision voltage sources for data acquisition system,
  • industrial control, communication infrastructure
  • Process control and instrumentations
  • Active source for sensors

当前筛选条件