跳转到主要内容

特性

  • 18V Output Range
  • Rail-to-Rail Output Voltage Range
  • 200mA Peak Output Current per Channel
  • 45V/µs Level Translator Slew Rate
  • Dual Rail-to-Rail Input and Output Amplifiers
  • 32 Ld TQFN Package
  • Pb-Free (RoHS compliant)

描述

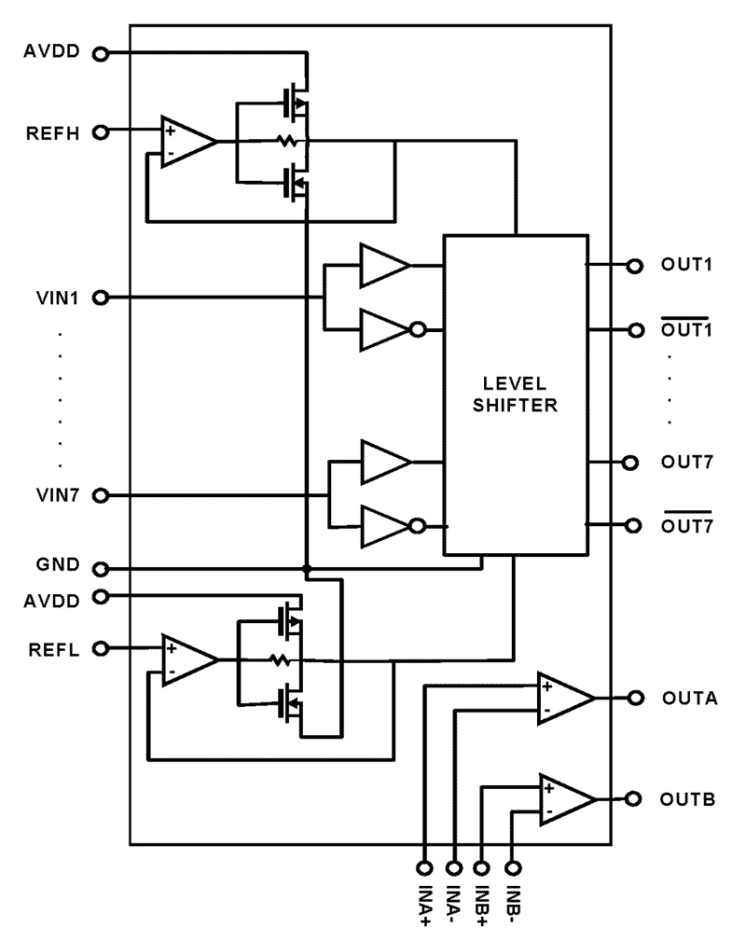
The ISL24016 is a high performance level translator. It consists of 7-Channel inputs and 14-Channel complementary level translated outputs, and 2 general purpose amplifiers. The level translator OUTx and OUTx complementary outputs are controlled by VINx logic input signals. Their output high and low voltage levels are set by REFH and REFL inputs respectively. The level shifter is designed to deliver large peak current into highly capacitive loads. The additional dual general purpose amplifiers can be use to create VREFH and VREFL voltages. The ISL24016 is available in a 32 Ld Thermal Enhanced TQFN package. It is specified for operation over the -40°C to +85°C industrial temperature range.

应用

  • TFT-LCD Panels
  • Logic Level Translator

当前筛选条件