跳转到主要内容
瑞萨电子 (Renesas Electronics Corporation)

特性

  • Low power 120µA typical supply current (ISL28276)
  • 100µV maximum offset voltage
  • 500pA typical input bias current
  • 400kHz typical gain-bandwidth product
  • 115dB typical PSRR and CMRR
  • Single supply operation down to 2.4V
  • Input is capable of swinging above V+ and to V- (ground sensing)
  • Rail-to-rail input and output (RRIO)
  • Pb-free (RoHS compliant)

描述

Support is limited to customers who have already adopted these products.

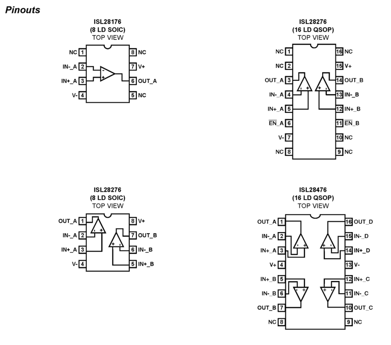
The ISL28176, ISL28276 and ISL28476 are single, dual and quad channel micropower operational amplifiers optimized for single supply operation over the 2. 4V to 5V range. They can be operated from one lithium cell or two Ni-Cd batteries. These devices feature an Input Range Enhancement Circuit (IREC) which enables them to maintain CMRR performance for input voltages 10% above the positive supply rail and down to the negative supply. The output operation is rail-to-rail. The ISL28276 and ISL28476 draw minimal supply current while meeting excellent DC-accuracy, AC-performance, noise and output drive specifications. The ISL28276 (QSOP package only) contains a power-down enable pin that reduces the power supply current to typically 4µA in the disabled state.

应用

  • Battery- or solar-powered systems
  • 4mA to 25mA current loops
  • Handheld consumer products
  • Medical devices
  • Thermocouple amplifiers
  • Photodiode pre-amps
  • pH probe amplifiers

当前筛选条件