跳转到主要内容
瑞萨电子 (Renesas Electronics Corporation)

特性

  • Resolution: 16-bits ADC
  • Integrated noise reduction: 50Hz/60Hz
  • Light sensor close to human eye response
  • Excellent light sensor IR and UV rejection
  • Range selection via I2C
    • Range1 = 0.015 to 1,000 Lux
    • Range2 = 0.06 to 4,000 Lux
    • Range3 = 0.24 to 16,000 Lux
    • Range4 = 0.96 to 64,000 Lux
  • Shutdown modes: Software and automatic
  • Supply current (Max): 85µA
  • Shutdown current (Max): 0.3µA
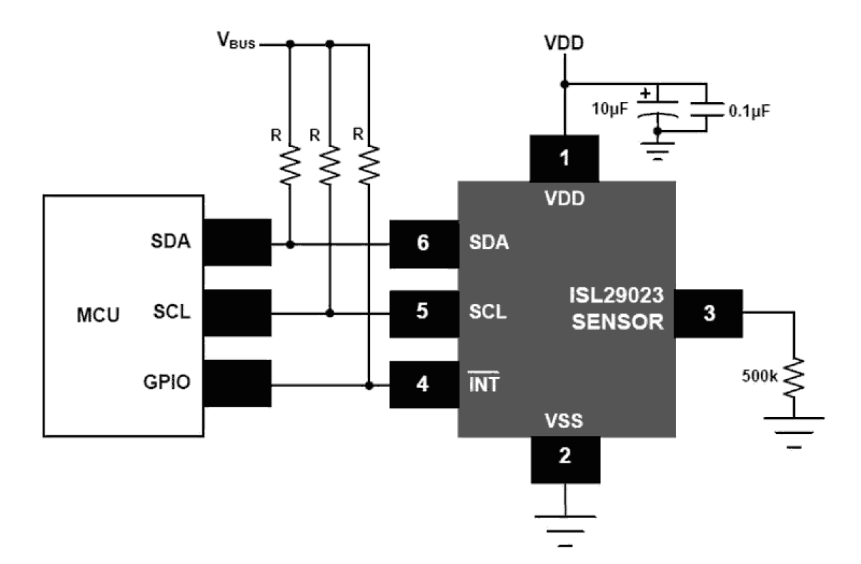
  • Control interface: I2C and SMB compatible
  • I2C power supply: 1.7V to 3.63V
  • Sensor power supply: 2.25V to 3.63V
  • Operating temperature range: -40 °C to +85 °C
  • Small form factor package: 6 Ld 2.0mm x 2.1mm x 0.7mm ODFN

描述

The ISL29023 is an integrated ambient and infrared light-to-digital converter with I2C (SMBus compatible) interface. Its advanced self-calibrated photodiode array emulates human eye response with excellent IR rejection. The on-chip ADC is capable of rejecting 50Hz and 60Hz flicker caused by artificial light sources. The lux range select feature allows users to program the lux range for optimized counts/lux. For ambient light sensing, an internal 16-bit ADC has been designed based upon the charge-balancing technique. The ADC conversion time is nominally 90ms and is user adjustable from 11µs to 90ms, depending on oscillator frequency and ADC resolution. In normal operation, typical current consumption is 70µA. In order to further minimize power consumption, two power-down modes have been provided. If polling is chosen over continuous measurement of light, the auto-power-down function shuts down the whole chip after each ADC conversion for the measurement. The other power-down mode is controlled by software via the I2C interface. The power consumption can be reduced to less than 0.3µA when powered down. The ISL29023 supports a software and hardware interrupt that remains asserted until the host clears it through I2C interface. Function of ADC conversion continues without stopping after interrupt is asserted. Designed to operate on supplies from 2.25V to 3.63V with an I2C supply from 1.7V to 3.63V, the ISL29023 is specified for operation over the -40 °C to +85 °C ambient temperature range.

应用

  • Mobile devices: Smartphones, PDAs, GPS
  • Computing devices: Notebook PCs, Webpads
  • Consumer devices: LCD-TVs, digital picture frames, digital cameras
  • Industrial and medical light sensing

当前筛选条件