特性
- User Selectable RS-232 or RS-485/RS-422 Interface Port (Two RS-232 Transceivers or One RS-485/RS-422 Transceiver)
- Operates From a Single 3.3V Supply
- ±15kV (HBM) ESD Protected Bus Pins (RS-232 or RS-485)
- 5V Tolerant Logic Inputs
- True Flow-Through Pinouts Simplify Board Layouts
- Pb-Free (RoHS Compliant)
- Full Failsafe (Open/Short) Rx in RS-485/RS-422 Mode
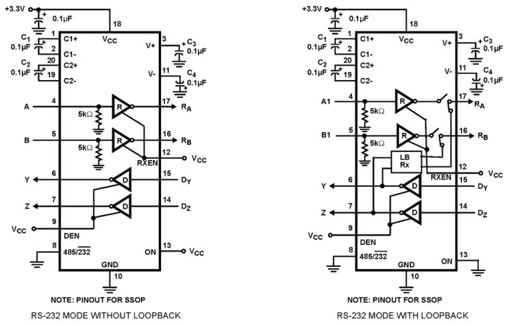
- Loopback Mode Facilitates Board Self Test Functions
- User Selectable RS-485 Data Rates 20Mbps
- Slew Rate Limited 460kbps
- Slew Rate Limited (ISL3331 Only) 115kbps
- Fast RS-232 Data Rate Up to 400kbps
- Low Current Shutdown Mode 30µA
- QFN Package Saves Board Space (ISL3331 Only)
- Logic Supply Pin (VL) Eases Operation in Mixed Supply Systems (ISL3331 Only)
描述
These devices are BiCMOS interface ICs that are user configured as either a single RS-422/RS-485 differential transceiver, or as a dual (2 Tx, 2 Rx) RS-232 transceiver. In RS-232 mode, the on-board charge pump generates RS-232 compliant ±5V Tx output levels, from a supply as low as 3. 15V. Four small 0. 1µF capacitors are required for the charge pump. The transceivers are RS-232 compliant, with the Rx inputs handling up to ±25V. In RS-485 mode, the transceivers support both the RS-485 and RS-422 differential communication standards. The RS-485 receiver features full failsafe operation, so the Rx output remains in a high state if the inputs are open or shorted together. The RS-485 transmitter supports up to three data rates, two of which are slew rate limited for problem free communications. The charge pump disables in RS-485 mode, thereby saving power, minimizing noise, and eliminating the charge pump capacitors. Both RS-232/RS-485 modes feature loopback and shutdown functions. The loopback mode internally connects the Tx outputs to the corresponding Rx input, which facilitates the implementation of board level self test functions. The outputs remain connected to the loads during loopback, where connection problems (e. g. , shorted connectors or cables) can be detected. The shutdown mode disables the Tx and Rx outputs, disables the charge pump if in RS-232 mode, and places the IC in a low current (30µA) mode. The ISL3331 is a QFN packaged device that offers additional functionality, including a lower speed and edge rate option (115kbps) for EMI sensitive designs, or to allow longer bus lengths. It also features a logic supply voltage pin (VL) that sets the VOH level of logic outputs, and the switching points of logic inputs, to be compatible with another supply voltage in mixed voltage systems. The QFN's choice of active high or low Rx enable pins increases design flexibility, allowing Tx/Rx direction control via a single signal by connecting DEN and RXEN together. For a dual port version of these devices, please see the ISL3332/ISL3333 data sheet.
产品参数
| 属性 | 值 |
|---|---|
| Supported Protocols | RS-232, RS-422, RS-485 |
| Ports (#) | 1 |
| Tx/Rx per Port (#) | 1 |
| High ESD (kV) | 15 |
| Data Rate RS-485/RS-232 | 20, 0.46/0.4 |
| RS-485 Rx Failsafe Type | Full |
| VLOGIC Supply Pin? | No |
| RXEN Polarity | High |
| Loopback Feature | Yes |
| Operating Supply Current Icc RS-485/RS-232 | 1.3/3.7 |
| SHDN ICC | 30 µA |
| VCC (V) | 3.3 |
封装选项
| Pkg. Type | Pkg. Dimensions (mm) | Lead Count (#) | Pitch (mm) |
|---|---|---|---|
| SSOP | 7.2 x 5.3 x 1.73 | 20 | 0.7 |
应用
- Gaming Applications (eg, Slot machines)
- Single Board Computers
- Factory Automation
- Security Networks
- Industrial/Process Control Networks
- Level Translators (eg, RS-232 to RS-422)
- Point of Sale Equipment
当前筛选条件