| CAD 模型: | View CAD Model |
| Pkg. Type: | QFN |
| Pkg. Code: | LJR |
| Lead Count (#): | 40 |
| Pkg. Dimensions (mm): | 5.99 x 5.99 x 0.90 |
| Pitch (mm): | 0.5 |
| Moisture Sensitivity Level (MSL) | 3 |
| Pb (Lead) Free | Yes |
| RoHS (ISL33357EIRZ-T7A) | 下载 |
| ECCN (US) | |
| HTS (US) |
| Lead Count (#) | 40 |
| Carrier Type | Reel |
| Moisture Sensitivity Level (MSL) | 3 |
| Pb (Lead) Free | Yes |
| Pb Free Category | Pb-Free 100% Matte Tin Plate w/Anneal-e3 |
| Temp. Range (°C) | -40 to +85°C |
| Data Rate RS-485/RS-232 | 20, 0.115 |
| High ESD (kV) | 15 |
| Length (mm) | 6 |
| Loopback Feature | No |
| MOQ | 250 |
| Operating Supply Current Icc RS-485/RS-232 | 3.7 |
| Pitch (mm) | 0.5 |
| Pkg. Dimensions (mm) | 6.0 x 6.0 x 0.90 |
| Pkg. Type | QFN |
| Ports (#) | 2 |
| Qualification Level | Standard |
| RS-485 Rx Failsafe Type | Full |
| RXEN Polarity | Low |
| SHDN ICC | 55 µA |
| Supported Protocols | RS-232, RS-422, RS-485 |
| Thickness (mm) | 0.9 |
| Tx/Rx per Port (#) | 2 |
| VCC (V) | 5 |
| VLOGIC Supply Pin? | No |
| Width (mm) | 6 |
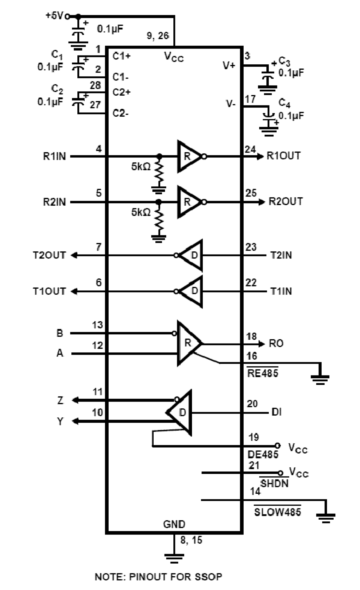
The ISL33354E, ISL33357E are two port interface ICs where port 1 is configured as a dual (2 Tx, 2 Rx) RS-232 transceiver, and port 2 is a single RS-485/422 transceiver. An on-board charge pump generates RS-232 compliant ±5V Tx output levels from a single VCC supply as low as 4. 5V. The transceivers are RS-232 compliant, with the Rx inputs handling up to ±25V. The port 2 transceiver supports both the RS-485 and RS-422 differential communication standards. The receiver features full fail-safe operation, so the Rx output remains in a high state if the inputs are open or shorted together. The transmitter supports two data rates, one of which is slew rate limited for problem free communication at low data rates. The active low Rx enable pin (RE485) allows Tx/Rx direction control, via a single signal, simply by connecting the corresponding DE485 and RE485 pins together. The ISL33354E and ISL33357E also include a shutdown function, which disables the Tx and Rx outputs, disables the charge pumps and places the IC in a low current (55µA) mode. The ISL33357E is a QFN packaged device for space constrained applications.