| CAD 模型: | View CAD Model |
| Pkg. Type: | TSSOP |
| Pkg. Code: | MNE |
| Lead Count (#): | 28 |
| Pkg. Dimensions (mm): | 9.70 x 4.39 x 0.00 |
| Pitch (mm): | 0.65 |
| Moisture Sensitivity Level (MSL) | 3 |
| Pb (Lead) Free | Yes |
| ECCN (US) | EAR99 |
| HTS (US) | 8542.39.0040 |
| Lead Count (#) | 28 |
| Carrier Type | Tube |
| Moisture Sensitivity Level (MSL) | 3 |
| Conversion Rate (Max) (kSPS) | 130000 |
| Pb (Lead) Free | Yes |
| Pb Free Category | Pb-Free 100% Matte Tin Plate w/Anneal-e3 |
| Temp. Range (°C) | -40 to +85°C |
| Differential NonLinearity LSB | 0.5 |
| Integral NonLinearity LSB | 0.5 |
| Length (mm) | 9.7 |
| MOQ | 300 |
| Output I/V | I |
| Pitch (mm) | 0.7 |
| Pkg. Dimensions (mm) | 9.7 x 4.4 x 0.00 |
| Pkg. Type | TSSOP |
| Power (text) | 110mW at 200Msps |
| Qualification Level | Standard |
| Resolution (bits) | 10 |
| SFDR (Typical) to Nyquist | 71dBc 10MHz@130Msps |
| Supply Voltage Vs Range | 3.3 |
| VREF (V) | Int/Ext |
| VS (Max) (V) | 3.3 |
| VS (Min) (V) | 3.3 |
| Width (mm) | 4.4 |
Support is limited to customers who have already adopted these products.
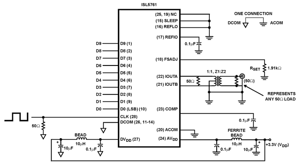
The ISL5761 is a 10-bit, 130/210+MSPS (Mega Samples Per Second), CMOS, high-speed, low power, D/A (digital-to-analog) converter, designed specifically for use in high-performance communication systems such as base transceiver stations utilizing 2.5G or 3G cellular protocols. This device complements the ISL5x61 family of high-speed converters, which include 10, 12 and 14-bit devices.