跳转到主要内容
瑞萨电子 (Renesas Electronics Corporation)

特性

  • Low power: 103mW with 20mA output at 130MSPS
  • Adjustable full scale output current: 2mA to 20mA
  • +3.3V power supply
  • 3V LVCMOS compatible inputs
  • Excellent spurious free dynamic range (73dBc to Nyquist, fS = 130MSPS, fOUT = 10MHz)
  • UMTS adjacent channel power = 70dB at 19.2MHz
  • EDGE/GSM SFDR = 90dBc at 11MHz in 20MHz window
  • Pin compatible, 3.3V, lower power replacement for the AD9752 and HI5860
  • Pb-free (RoHS compliant)

描述

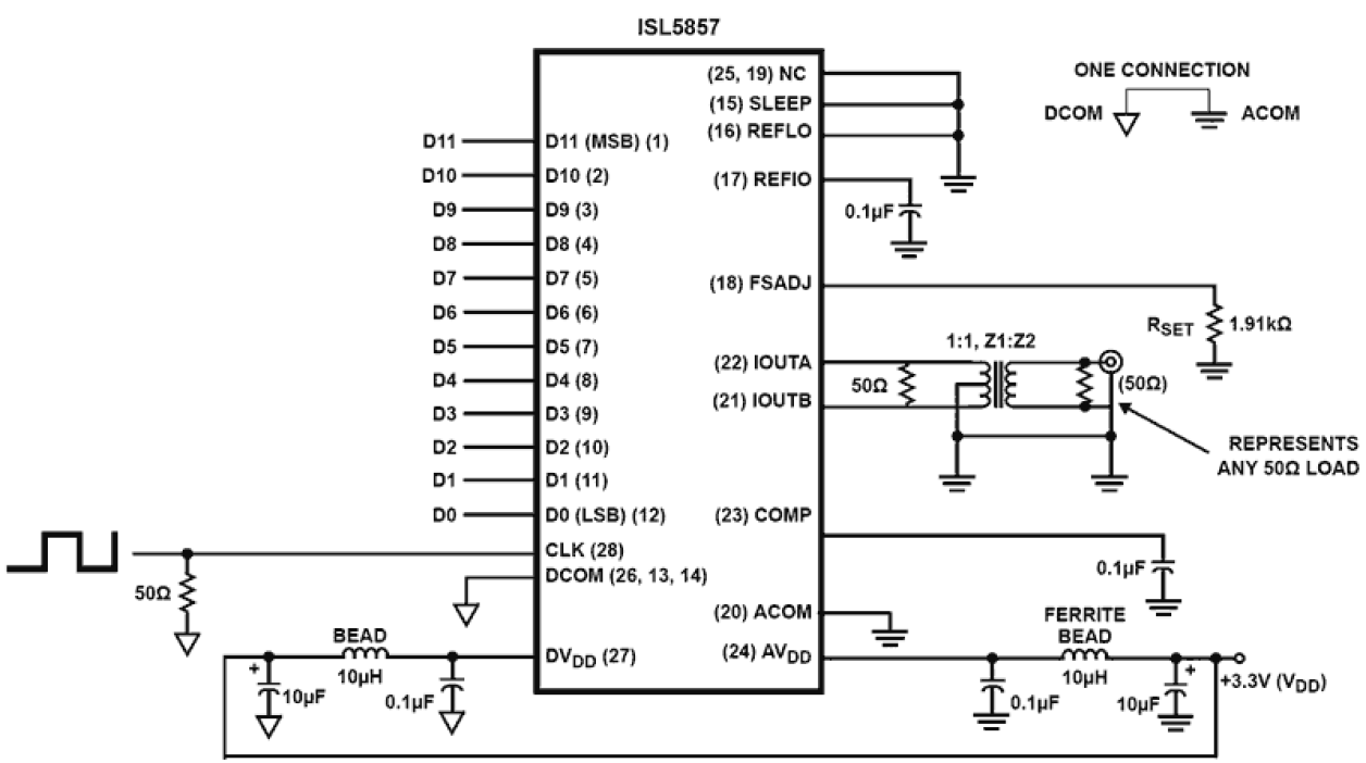
The ISL5857 is a 12-bit, 260+MSPS (Mega Samples Per Second), CMOS, high speed, low power, D/A (digital-to-analog) converter designed specifically for use in high performance communication systems such as base transceiver stations utilizing 2. 5G or 3G cellular protocols. This device complements the ISL5x57 family of high speed converters, which include 10, 12, and 14-bit devices.

应用

  • Cellular Infrastructure - Single or Multi-Carrier: IS-136, IS-95, GSM, EDGE, CDMA2000, WCDMA, TDS-CDMA
  • BWA Infrastructure
  • Medical/Test Instrumentation
  • Wireless Communication Systems
  • High Resolution Imaging Systems
  • Arbitrary Waveform Generators

当前筛选条件