跳转到主要内容
瑞萨电子 (Renesas Electronics Corporation)

特性

  • Compatible with all Conventional Controllers Having a Serial Port, with Some Programming
  • Programmable Snubber on all Outputs
  • Compatible with Future Controllers Having Gray Coded WEN Lines for Glitchless High-Speed Operation
  • WEN Line Skew Detection
  • 1000mA Maximum Total Write Output Current.
  • 10-bit x 10-bit Multiplying DAC Output Provides 10-bit Full Scale Adjustment and 10-bit Resolution at any Full Scale Output
  • Three Laser Outputs Allow Read/Write DVD, CD, and Blue Combinations
  • Single +5V Supply
  • Analog Inputs Supports Read APC
  • HFM Oscillator Programmable to 100mAP-P and Range from 100MHz to >1GHz
  • Programmable HFM On, Off and Cooling Levels
  • Programmable Spread Spectrum for Low EMI
  • Built-in ADC to Sample Laser Voltage Allows Power Reduction by Optimizing Headroom
  • Built-in Thermal Sensor Aids in Thermal Design
  • Serial Input Works up to 50MHz
  • Pb-Free (RoHS Compliant)

描述

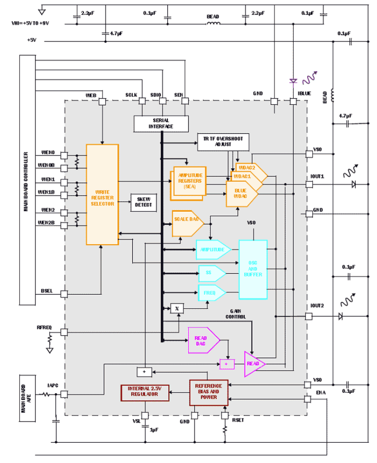
The ISL58792 is a highly integrated, single supply laser diode driver designed to support multi-standard writable optical drives in CD, DVD, and Blu-Ray formats at various speeds. It is a ‘hybrid’ part having an interface compatible with a conventional LDD, but an internal architecture similar to a write strategy LDD. This combination adds versatility to the conventional interface. The rise time, fall time and overshoot of all outputs are adjustable to compensate for high and low resistance lasers. The ISL58792 architecture includes dual write current banks, which can be selected using the bank select line, BSEL. This eliminates the need to synchronize the serial port to the media. The oscillator is internally activated through program assignment to attach to any WEN state. The WEN lines have internal 100 terminators. There is a skew detector on the WEN receiver outputs.

应用

  • Combination DVD, CD, and Blue Writable Drives
  • BD Camcorders
  • BD Video Recorders

当前筛选条件