跳转到主要内容
瑞萨电子 (Renesas Electronics Corporation)

特性

  • Dual, triple 4:1 multiplexers for RGB
  • 520MHz bandwidth into 500Ω load
  • ±1600 V/µs slew rate
  • Externally configurable for various video MUX circuits including:
  • 8:1 RGB MUX
  • Two separate 4:1 RGB MUX
  • 4:1 differential RGB video MUX
  • Internally fixed gain-of-2
  • High impedance outputs (HIZ)
  • Power-Down Mode (EN)
  • ±5V Operation
  • Supply Current 16mA/Ch maximum
  • Pb-free (RoHS Compliant)

描述

Support is limited to customers who have already adopted these products.

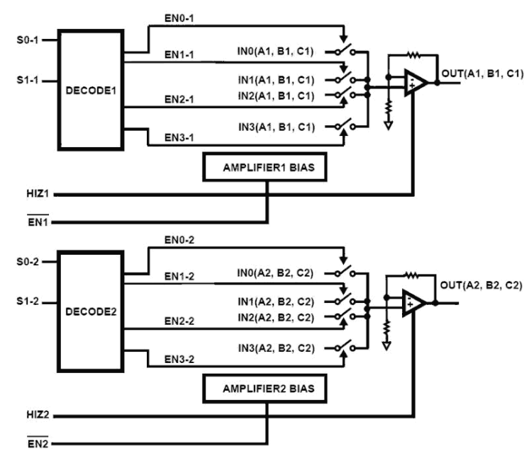
The ISL59482 contains two independent fixed gain of 2 triple 4:1 MUX amplifiers that feature high slew rate and excellent bandwidth for RGB video switching. Each RGB 4:1 MUX contains binary coded, channel select logic inputs (S0, S1), and separate logic inputs for High Impedance Output (HIZ) and power-down (EN) modes. The HIZ state presents a high impedance at the output so that both RGB MUX outputs can be wired together to form an 8:1 RGB MUX amplifier or, they can be used in R-R, G-G, and B-B pairs to form a 4:1 differential input/output MUX. Separate power-down mode controls (EN1, EN2, ) are included to turn off unneeded circuitry in power sensitive applications. With both EN pins pulled high, the ISL59482 enters a standby power mode consuming just 34mW.

应用

  • HDTV/DTV analog inputs
  • Video projectors, computer monitors
  • Set-top boxes
  • Security video
  • Broadcast video equipment

当前筛选条件