跳转到主要内容

特性

  • Low Power 103mW with 20mA Output at 130MSPS
  • Adjustable Full Scale Output Current 2mA to 20mA
  • +3.3V Power Supply
  • 3V LVCMOS Compatible Inputs
  • Excellent Spurious Free Dynamic Range (75dBc to Nyquist, fS = 130MSPS, fOUT = 10MHz)
  • UMTS Adjacent Channel Power =71dB at 19.2MHz
  • EDGE/GSM SFDR = 94dBc at 11MHz in 20MHz Window
  • Pin compatible, 3.3V, Lower Power Replacement For The AD9754 and HI5960
  • Pb-Free Available (RoHS Compliant)

描述

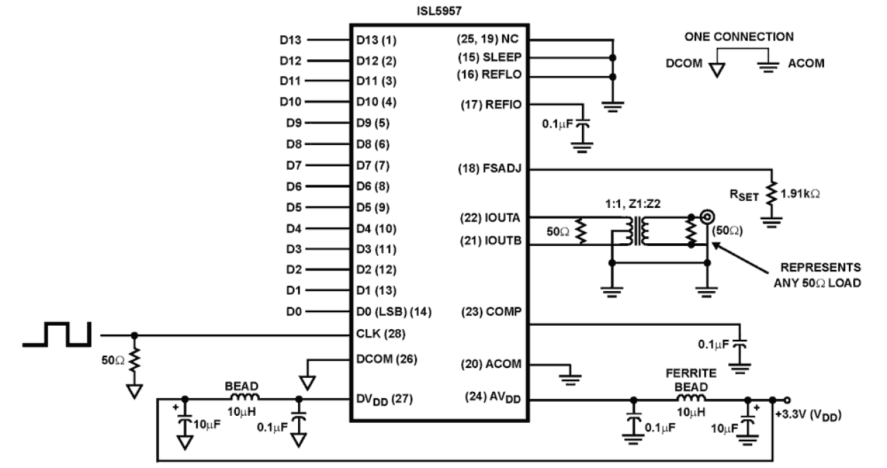
The ISL5957 is a 14-bit, 260+MSPS (Mega Samples Per Second), CMOS, high speed, low power, D/A (digital to analog) converter, designed specifically for use in high performance communication systems such as base transceiver stations utilizing 2. 5G or 3G cellular protocols. This device complements the ISL5x57 family of high speed converters, which include 10, 12, and 14-bit devices.

应用

  • Cellular Infrastructure - Single or Multi-Carrier: IS-136, IS-95, GSM, EDGE, CDMA2000, WCDMA, TDS-CDMA
  • BWA Infrastructure
  • Medical/Test Instrumentation
  • Wireless Communication Systems
  • High Resolution Imaging Systems
  • Arbitrary Waveform Generators

当前筛选条件