跳转到主要内容
瑞萨电子 (Renesas Electronics Corporation)

特性

  • 0.05ΩΩ Integrated Power N-channel MOSFET Switch
  • Accurate Current Sensing and Limiting
  • 12ms Timed Fault Latch-Off, No thermal Dependency
  • 2.5V to 5.5V Operating Range
  • Under Voltage Lockout
  • Disabled Output Internally Pulled Low
  • Controlled Turn On/Off Ramp Times
  • Fault Output Signal
  • Logic Level Enable High Inputs (ISL6121H) or Enable Low Inputs (ISL6121L)
  • Logic Level Compatible Enable Input and Fault Output
  • Pb-Free Available (RoHS Compliant)

描述

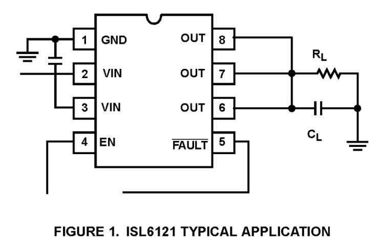
The ISL6121 is a single supply Overcurrent (OC) fault protection IC for 2. 5V to 5V applications where 2A current limiting is desired. This device features internal current monitoring and limiting along with a 50mΩ integrated power switch and a current limited time out to latch-off feature for system protection. The time to latch-off is independent of device temperature, and magnitude of OC. Each ISL6121 incorporates in a 8 lead SOIC package a 50mΩ N-channel MOSFET power switch for power control. The switch is driven by a constant current source giving a controlled ramp up of the output voltage. This provides a soft start turn-on eliminating bus voltage drooping caused by inrush current while charging heavy load capacitances. (Enable high (ISL6121H) and enable low (ISL6121L) options are) available with a fault reporting output compatible with 3V and 5V logic level signals allowing for external control and monitoring. The Under Voltage (UVLO) lockout feature prevents turn-on of the output unless the correct ENABLE signal and VIN > 2. 5V are both present. During initial turn-on the ISL6121 design prevents a fault from being presented by blanking the fault signal, unlike other vendor devices needing additional external circuitry to accomplish this. Rising and falling output is a current-limited voltage ramp so that both the inrush current and voltage slew rate are limited, independent of load. This reduces supply droop due to surge and eliminates the need for external EMI filters. During operation once an OC condition is detected the output is current limited to 2A to allow for a transient condition to pass. If still in current limit after the current limit period has elapsed the output is latched off and the fault is reported by pulling the FAULT low. The FAULT signal is latched low until reset by the enable signal being deasserted at which time the FAULT signal will clear.

应用

  • Fibre Channel
  • Industrial Power Control
  • Hot Plug

当前筛选条件