| CAD 模型: | View CAD Model |
| Pkg. Type: | QFN |
| Pkg. Code: | LJQ |
| Lead Count (#): | 32 |
| Pkg. Dimensions (mm): | 5.00 x 5.00 x 0.90 |
| Pitch (mm): | 0.5 |
| Moisture Sensitivity Level (MSL) | 3 |
| Pb (Lead) Free | Yes |
| RoHS (ISL6236IRZA-TR5453) | 英语日文 |
| ECCN (US) | |
| HTS (US) |
| Lead Count (#) | 32 |
| Carrier Type | Reel |
| Moisture Sensitivity Level (MSL) | 3 |
| Pb (Lead) Free | Yes |
| Pb Free Category | Pb-Free 100% Matte Tin Plate w/Anneal-e3 |
| Temp. Range (°C) | -40 to +85°C |
| DDR Capable | Yes |
| Input Voltage (Max) (V) | 25 |
| Input Voltage (Max) [Rail 1] (V) | 25 - 25 |
| Input Voltage (Min) (V) | 5.5 |
| Input Voltage (Min) [Rail 1] (V) | 5.5 |
| Lead Compliant | No |
| Length (mm) | 5 |
| Linear Output | Yes |
| MOQ | 6000 |
| Output Current (Max) [Rail 1] (A) | 20 |
| Output Current 1 (Max) (A) | 20 |
| Output Voltage (Max) [Rail 1] (V) | 5.5 |
| Output Voltage (Min) (V) | 0.7 |
| Output Voltage (Min) [Rail 1] (V) | 0.7 |
| Output Voltage 1 (Max) (V) | 5.5 |
| Output Voltage 2 (Max) | 3.3 (Adj. 0.5 to 2.5) |
| Output Voltage 3 (Max) | 3.3 or 5 (Adj. 0.7 to 4.5) |
| Output Voltage 4 (Max) | 3.3 |
| Outputs (#) | 4 |
| Parametric Category | Buck Controllers (External FETs) |
| Pitch (mm) | 0.5 |
| Pkg. Dimensions (mm) | 5.0 x 5.0 x 0.90 |
| Pkg. Type | QFN |
| Qualification Level | Standard |
| Switching Frequency Range (Typical) (kHz) | 200 - 500 |
| Tape & Reel | No |
| Thickness (mm) | 0.9 |
| Topology [Rail 1] | Buck |
| Width (mm) | 5 |
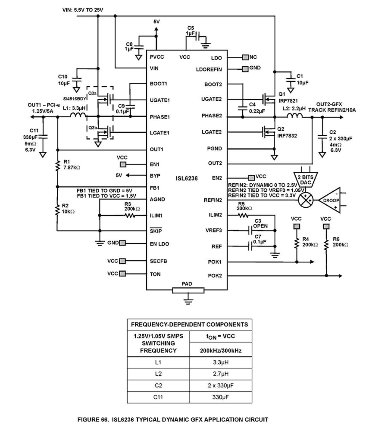
The ISL6236 dual step-down, switch-mode power-supply (SMPS) controller generates logic-supply voltages in battery-powered systems. The ISL6236 include two pulse-width modulation (PWM) controllers, 5V/3.3V and 1.5V/1.05V. The output of SMPS1 can also be adjusted from 0.7V to 5.5V. The SMPS2 output can be adjusted from 0V to 2.5V by setting REFIN2 voltage. An optional external charge pump can be monitored through SECFB. This device features a linear regulator providing 3.3V/5V, or adjustable from 0.7V to 4.5V output via LDOREFIN. The linear regulator provides up to 100mA output current with automatic linear-regulator bootstrapping to the BYP input. When in switchover, the LDO output can source up to 200mA. The ISL6236 includes on-board power-up sequencing, the power-good (POK) outputs, digital soft-start, and internal soft-stop output discharge that prevents negative voltages on shutdown. A constant ON-time PWM control scheme operates without sense resistors and provides 100ns response to load transients while maintaining a relatively constant switching frequency. The unique ultrasonic pulse-skipping mode maintains the switching frequency above 25kHz, which eliminates noise in audio applications. Other features include pulse skipping, which maximizes efficiency in light-load applications, and fixed-frequency PWM mode, which reduces RF interference in sensitive applications.