跳转到主要内容
瑞萨电子 (Renesas Electronics Corporation)

特性

  • High Performance R3 Technology
  • Fast Transient Response
  • ±1% Output Voltage Accuracy
  • 2 Fully Programmable Switch-Mode Power Supplies
  • Programmable Switching Frequency
  • Fixed 3.3V LDO Output
  • Internal Soft-Start and Soft-Stop Output Discharge
  • Wide Input Voltage Range: 5.5V to 25V
  • Full and Ultrasonic Pulse-Skipping Mode
  • Power-Good Indicator
  • Overvoltage, Undervoltage and Overcurrent Protection
  • Thermal Monitor and Protection
  • Pb-Free (RoHS Compliant)

描述

Support is limited to customers who have already adopted these products.

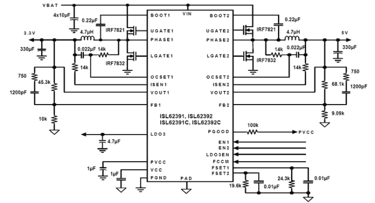
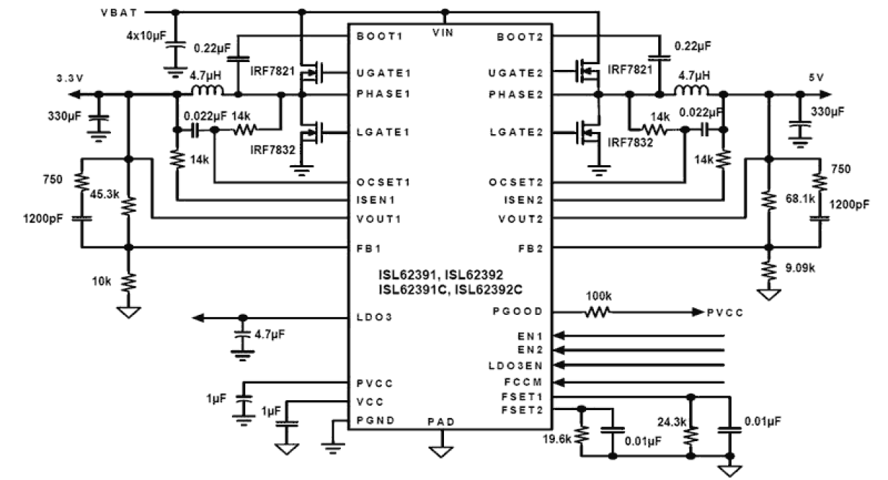
The ISL62391C controller generates supply voltage for battery-powered systems. It includes two pulse-width modulation (PWM) controllers, adjustable from 0. 6V to 5. 5V, and a linear regulator (LDO3) that generates a fixed 3. 3V and can deliver up to 100mA. The ISL62391C includes on-board power-up sequencing, a power-good (PGOOD) output, digital soft-start, and internal soft-stop output discharge that prevents negative voltages on shutdown. The patented R3 PWM control scheme provides a low jitter system with fast response to load transients. Light-load efficiency is improved with period-stretching discontinuous conduction mode (DCM) operation. To eliminate noise in audio frequency applications, an ultrasonic DCM mode is included, which limits the minimum switching frequency to 28kHz. The ISL62391, ISL62391C and ISL62392, ISL62392C are identical except for how their overvoltage protection is handled. The ISL62391C utilizes a tri-state overvoltage scheme, whereas the ISL62392C employs a soft-crowbar method. The ISL62391C is available in a 28 Ld 4x4 TQFN package and operates over the extended temperature range (-40°C to +100°C).

应用

  • Notebook and Sub-Notebook Computers
  • PDAs and Mobile Communication Devices
  • 3-Cell and 4-Cell Li+ Battery-Powered Devices

当前筛选条件