跳转到主要内容
瑞萨电子 (Renesas Electronics Corporation)

特性

  • Precision single-phase CORE voltage regulator
  • 0.5% system accuracy over temperature
  • Enhanced load line accuracy
  • Internal gate driver with 2A driving capability
  • Microprocessor voltage identification input
  • 7-Bit VID input
  • 0.300V to 1.500V in 12.5mV steps
  • Support VID change on-the-fly
  • Multiple current sensing schemes supported
  • Lossless inductor DCR current sensing
  • Precision resistive current sensing
  • Thermal monitor
  • User programmable switching frequency
  • Differential remote voltage sensing at CPU die
  • Overvoltage, undervoltage, and overcurrent protection
  • Pb-free plus anneal available (RoHS compliant)

描述

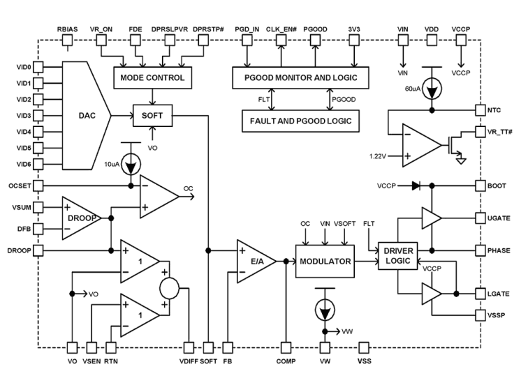
The ISL6261 is a single-phase buck regulator implementing lntel® IMVP-6® protocol, with embedded gate drivers. The heart of the ISL6261 is the patented R3 Technology™, Intersil's Robust Ripple Regulator modulator. Compared with the traditional multi-phase buck regulator, the R3 Technology™ has faster transient response. This is due to the R3 modulator commanding variable switching frequency during a load transient. lntel® Mobile Voltage Positioning (IMVP) is a smart voltage regulation technology effectively reducing power dissipation in lntel® Pentium processors. To boost battery life, the ISL6261 supports DPRSLRVR (deeper sleep) function and maximizes the efficiency via automatically changing operation modes. At heavy load in the active mode, the regulator commands the continuous conduction mode (CCM) operation. When the CPU enters deeper sleep mode, the ISL6261 enables diode emulation to maximize the efficiency at light load. Asserting the FDE pin of the ISL6261 in deeper sleep mode will further decrease the switching frequency at light load and increase the regulator efficiency. A 7-bit digital-to-analog converter (DAC) allows dynamic adjustment of the core output voltage from 0. 300V to 1. 500V. The ISL6261 has 0. 5% system voltage accuracy over temperature. A unity-gain differential amplifier provides remote voltage sensing at the CPU die. This allows the voltage on the CPU die to be accurately measured and regulated per lntel® IMVP-6 specification. Current sensing can be implemented through either lossless inductor DCR sensing or precise resistor sensing. If DCR sensing is used, an NTC thermistor network will thermally compensates the gain and the time constant variations caused by the inductor DCR change.

当前筛选条件