| CAD 模型: | View CAD Model |
| Pkg. Type: | TQFN |
| Pkg. Code: | LAO |
| Lead Count (#): | 48 |
| Pkg. Dimensions (mm): | 5.99 x 5.99 x 0.75 |
| Pitch (mm): | 0.4 |
| Moisture Sensitivity Level (MSL) | 3 |
| Pb (Lead) Free | Yes |
| ECCN (US) | EAR99 |
| HTS (US) | 8542.39.0090 |
| RoHS (ISL6265AHRTZ) | 下载 |
| Lead Count (#) | 48 |
| Carrier Type | Tube |
| Moisture Sensitivity Level (MSL) | 3 |
| Pb (Lead) Free | Yes |
| Pb Free Category | Pb-Free 100% Matte Tin Plate w/Anneal-e3 |
| Temp. Range (°C) | -10 to +100°C |
| Bias Voltage Range (V) | 4.75 - 5.25 |
| Droop | Yes |
| Input Voltage (Max) (V) | 24 |
| Input Voltage (Min) (V) | 5 |
| Integrated MOSFET Driver (s) | Yes |
| Length (mm) | 6 |
| MOQ | 1000 |
| Output Current (Max) [Rail 1] (A) | 60 |
| Output Voltage (Max) (V) | 1.55 |
| Output Voltage (Min) (V) | 0.5 |
| Outputs (Max) (#) | 3 |
| Parametric Applications | AMD Dual and Single Plane Processors |
| Parametric Category | Multiphase DC/DC Switching Controllers |
| Phases (Max) | 2 |
| Pitch (mm) | 0.4 |
| Pkg. Dimensions (mm) | 6.0 x 6.0 x 0.75 |
| Pkg. Type | TQFN |
| Qualification Level | Standard |
| Thickness (mm) | 0.75 |
| VID | Yes |
| Width (mm) | 6 |
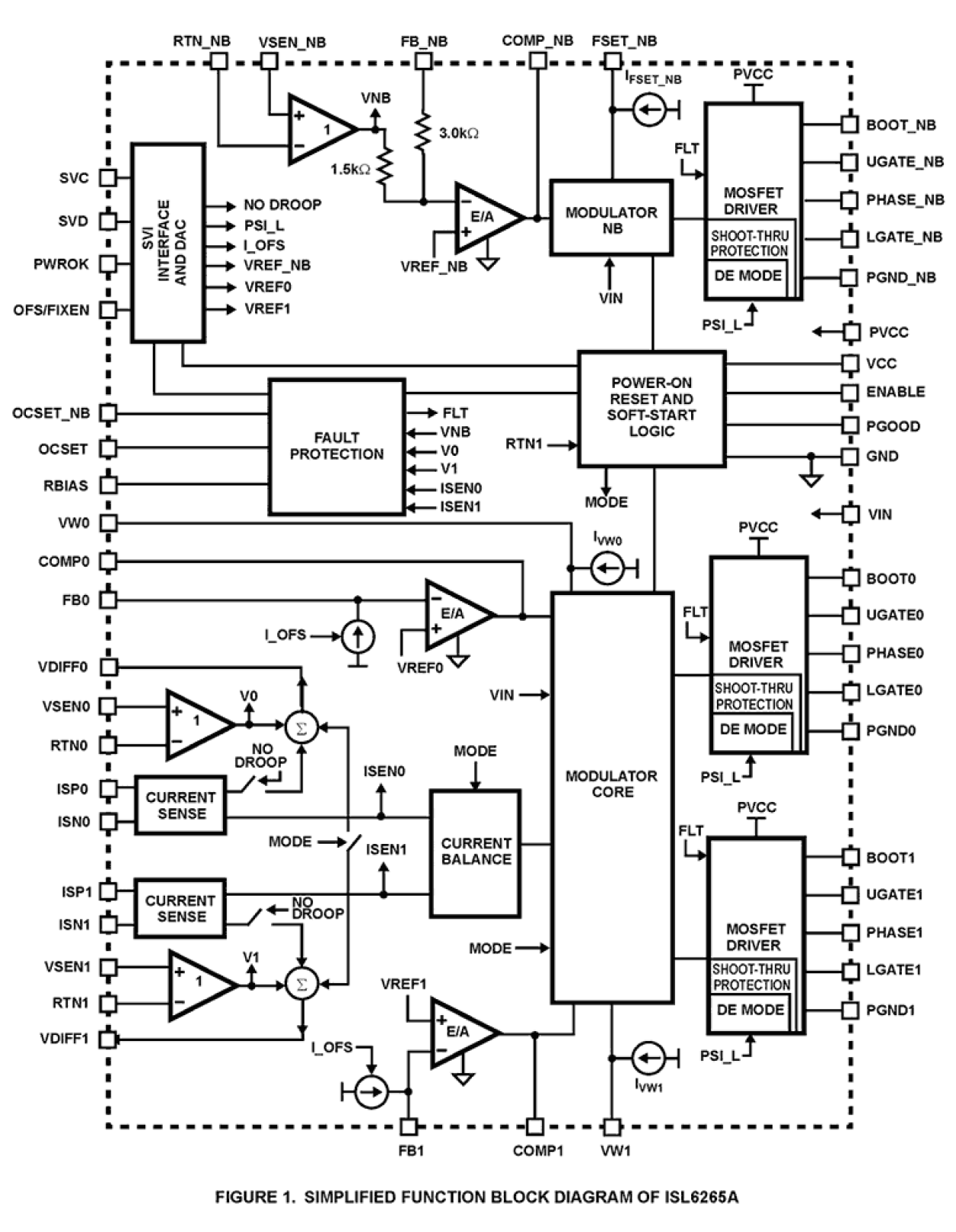
The ISL6265A is a multi-output controller with embedded gate drivers. A single-phase controller powers the Northbridge (VDDNB) portion of the CPU. The two remaining controller channels can be configured for two-phase or individual single-phase outputs. For uniplane CPU applications, the ISL6265A is configured as a two-phase buck converter. This allows the controller to interleave channels to effectively double the output voltage ripple frequency, and thereby reduce output voltage ripple amplitude with fewer components, lower component cost, reduced power dissipation, and smaller area. For dual-plane processors, the ISL6265A can be configured as independent single-phase controllers powering VDD0 and VDD1. The heart of the ISL6265A is the patented R3 Technology™, Intersil's Robust Ripple Regulator modulator. Compared with the traditional buck regulator, the R3 Technology™ has a faster transient response. This is due to the R3 modulator commanding variable switching frequency during a load transient. The Serial VID Interface (SVI) allows dynamic adjustment of the Core and Northbridge output voltages independently and in combination from 0. 500V to 1. 55V. Core and Northbridge output voltages achieve a 0. 5% system accuracy over-temperature. A unity-gain differential amplifier is provided for remote CPU die sensing. This allows the voltage on the CPU die to be accurately regulated per AMD mobile CPU specifications. Core output current sensing is realized using lossless inductor DCR sensing. All outputs feature overcurrent, overvoltage and undervoltage protection.