概览
描述
Support is limited to customers who have already adopted these products.
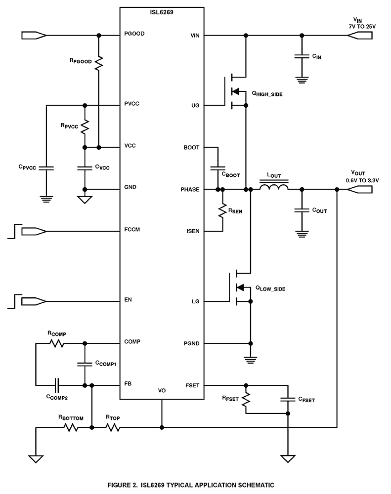
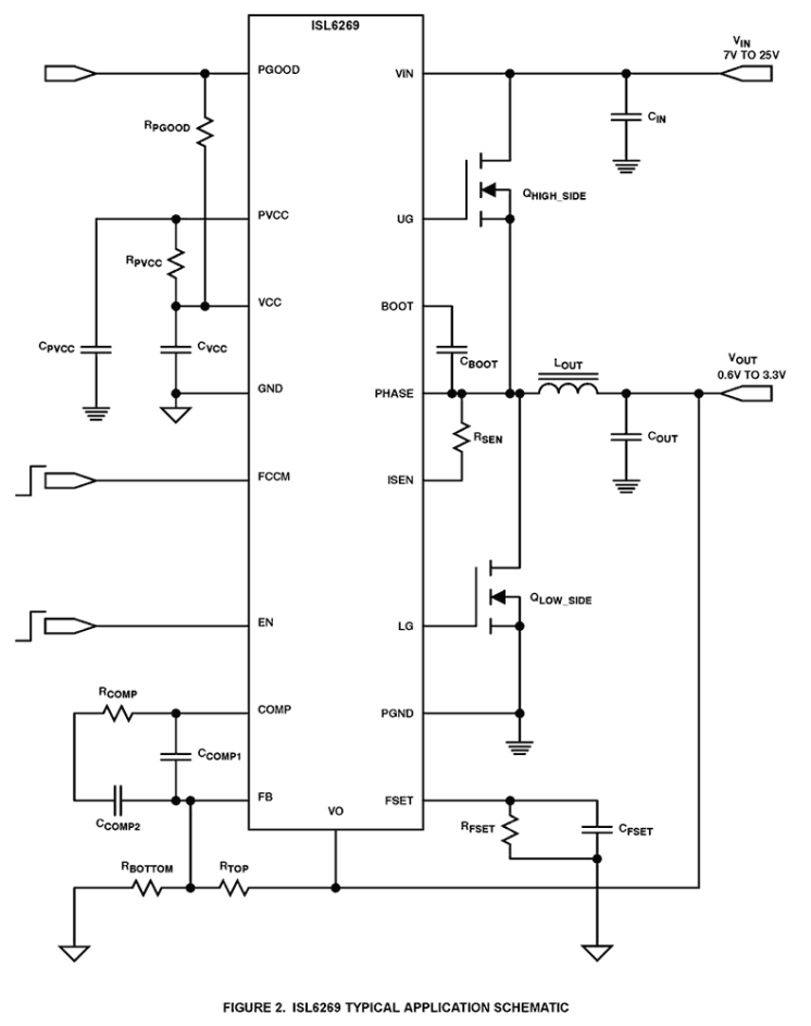
The ISL6269 IC is a Single-Phase Synchronous-Buck PWM controller featuring Intersil's Robust Ripple Regulator (R3) technology that delivers truly superior dynamic response to input voltage and output load transients. Integrated MOSFET drivers, 5V LDO and bootstrap diode result in fewer components and smaller implementation area. Intersil's R3 technology combines the best features of fixed-frequency PWM and hysteretic PWM while eliminating many of their shortcomings. R3 technology employs an innovative modulator that synthesizes an AC ripple voltage signal VR, analogous to the output inductor ripple current. The AC signal VR enters a window comparator where the lower threshold is the error amplifier output VCOMP, and the upper threshold is a programmable voltage reference VW, resulting in generation of the PWM signal. The voltage reference VW sets the steady state PWM frequency. Both edges of the PWM can be modulated in response to input voltage transients and output load transients, much faster than conventional fixed frequency PWM controllers. Unlike a conventional hysteretic converter, the ISL6269 has an error amplifier that provides ±1% voltage regulation at the FB pin. The ISL6269 has a 1. 5ms digital soft-start and can be started into a pre-biased output voltage. A resistor divider is used to program the output voltage setpoint. The ISL6269 can be configured to operate in continuous-conduction-mode (CCM) or diode-emulation-mode (DEM), which improves light-load efficiency. In CCM the controller always operates as a synchronous rectifier however, when DEM is enabled the low-side MOSFET is permitted to stay off, blocking negative current flow into the low-side MOSFET from the output inductor.
特性
- High performance R3 technology
- Fast transient response
- +0.6V Internal Reference
- ±0.6% tolerance over the commercial temperature range (0°C to +70°C)
- ±1.0% tolerance over the industrial temperature range (-40°C to +85°C)
- Wide input voltage range: +7.0V to +25.0V
- Output voltage range: +0.6V to +3.3V
- Wide output load range: 0A to 25A
- Selectable diode emulation mode for increased light load efficiency
- Programmable PWM frequency: 200kHz to 600kHz
- Pre-biased output start-up capability
- Internal 5V LDO for self-biasing
- Integrated MOSFET drivers and bootstrap diode
- Internal digital soft-start
- Power good monitor
- PWM minimum frequency above audible spectrum
- Fault protection
- Undervoltage protection
- Soft crowbar overvoltage protection
- Low-side MOSFET rDS(ON) overcurrent protection
- Over-temperature protection
- Fault identification by PGOOD pull-down resistance
- Pb-free (RoHS compliant)
产品对比
应用
文档
|
|
|
|
|---|---|---|
| 类型 | 文档标题 | 日期 |
| 数据手册 | PDF 717 KB | |
| EOL 通告 | PDF 200 KB | |
| 产品变更通告 | PDF 106 KB | |
| 产品变更通告 | PDF 173 KB | |
| 手册 - 开发工具 | PDF 859 KB | |
| 应用说明 | PDF 509 KB | |
| 应用说明 | PDF 397 KB | |
| 其他 | PDF 303 KB | |
8 项目
|
||
设计和开发
模型
ECAD 模块
点击产品选项表中的 CAD 模型链接,查找 SamacSys 中的原理图符号、PCB 焊盘布局和 3D CAD 模型。如果符号和模型不可用,可直接在 SamacSys 请求该符号或模型。