跳转到主要内容
瑞萨电子 (Renesas Electronics Corporation)

特性

  • Three Voltage Regulators (1 Buck, 2 LDOs)
  • High-Efficiency, fully-Integrated synchronous buck regulator with DVM
  • 800mA DC output current for the buck regulator
  • Proprietary 'Synthetic Ripple' Control Topology
  • Greater than 1MHz Switching Frequency
  • Diode emulation for light load efficiency
  • I2C Interface Module for DVM from 0.85V to 1.6V
  • Optional fixed 4-bit VID-control in lieu of DVM
  • Small Output Inductor and Capacitor
  • Battery Fault signal
  • Input Supply Voltage Range: 2.76V-5.5V
  • 4x4 mm QFN Package: Compliant to JEDEC PUB95 MO-220 QFN - Quad Flat No Leads - Package Outline Near Chip Scale Package footprint, which improves PCB efficiency and has a thinner profile
  • Pb-free Available (RoHS Compliant)

描述

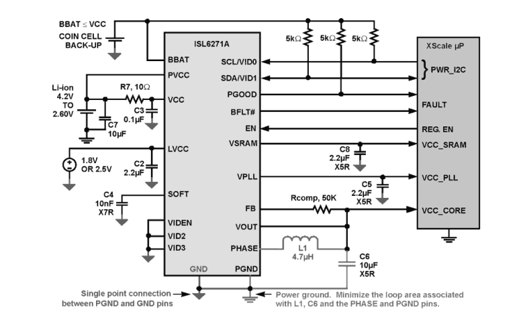
The ISL6271A is a versatile power management IC (PMIC) designed for the Xscale type of processors. The device integrates three regulators, two fault indicators and an I2C bus for communication with a host microprocessor. Two of the three regulators function as low power, low drop out regulators, designed to power SRAM and phase-lock loop circuitry internal to the Xscale processor. The third regulator uses a proprietary switch-mode topology to power the processor core and facilitate Dynamic Voltage Management (DVM), as defined by Intel. Since power dissipation inside a microprocessor is proportional to the square of the core voltage, Intel XScale processors implement DVM as a means to more efficiently utilize battery capacity. To support this power saving architecture, the ISL6271A integrates an I2C bus for communication with the host processor. The processor, acting as the bus master, transmits a voltage level and voltage slew rate to the ISL6271A appropriate to the processing requirements; higher core voltages support higher operating frequencies and code execution. The bus is fully compliant with the Phillips® I2C protocol and supports both standard and fast data transmission modes. Alternatively, the output of the core regulator can be programmed in 50mV increments from 0.85V to 1.6V using the input Voltage ID (VID) pins. All three regulators share a common enable pin and are protected against overcurrent, over temperature and undervoltage conditions. When disabled via the enable pin, the ISL6271A enters a low power state that can be used to conserve battery life while maintaining the last programmed VID code and slew rate. An integrated soft-start circuit transitions the ISL6271A output voltages to their default values at a rate determined by an external soft-start capacitor.

应用

  • PDAs
  • Cell Phones
  • Tablet Devices
  • Embedded Processors

当前筛选条件