跳转到主要内容
瑞萨电子 (Renesas Electronics Corporation)

特性

  • Proprietary Active Pulse Positioning and Adaptive Phase Alignment Modulation Scheme
  • Precision Multiphase Core Voltage Regulation
  • Differential Remote Voltage Sensing
  • ±0.5% System Accuracy Over Life, Load, Line and Temperature
  • Adjustable Precision Reference-Voltage Offset
  • Precision resistor or DCR Current Sensing
  • Accurate Load-Line Programming
  • Accurate Channel-Current Balancing
  • Differential Current Sense
  • Microprocessor Voltage Identification Input
  • Dynamic VID™ Technology
  • 8-Bit VID Input with Selectable VR11 Code and Extended VR10 Code at 6.25mV Per Bit
  • Thermal Monitoring
  • Integrated Programmable Temperature Compensation
  • Overcurrent Protection and Channel Current Limit
  • Overvoltage Protection
  • 2, 3 or 4 Phase Operation
  • Adjustable Switching Frequency up to 1MHz Per Phase
  • Package Option
  • QFN Compliant to JEDEC PUB95 MO-220 QFN - Quad Flat No Leads - Product Outline
  • QFN Near Chip Scale Package Footprint; Improves PCB Efficiency, Thinner in Profile
  • Pb-Free (RoHS Compliant)

描述

Support is limited to customers who have already adopted these products.

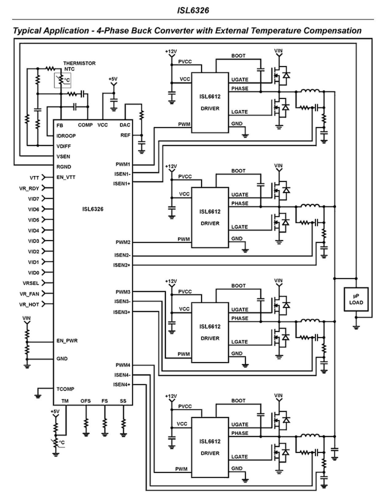
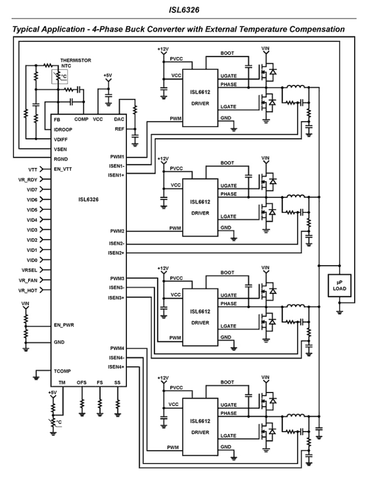
The ISL6326 controls microprocessor core voltage regulation by driving up to 4 synchronous-rectified buck channels in parallel. Multiphase buck converter architecture uses interleaved timing to multiply channel ripple frequency and reduce input and output ripple currents. Lower ripple results in fewer components, lower component cost, reduced power dissipation, and smaller implementation area. Microprocessor loads can generate load transients with extremely fast edge rates. The ISL6326 utilizes Intersil's proprietary Active Pulse Positioning (APP) and Adaptive Phase Alignment (APA) modulation scheme to achieve the extremely fast transient response with fewer output capacitors. today's microprocessors require a tightly regulated output voltage position versus load current (droop). The ISL6326 senses the output current continuously by utilizing patented techniques to measure the voltage across the dedicated current sense resistor or the DCR of the output inductor. Current sensing provides the needed signals for precision droop, channel-current balancing, and overcurrent protection. A programmable integrated temperature compensation function is implemented to effectively compensate for the temperature coefficient of the current sense element. The current limit function provides the overcurrent protection for the individual phase. A unity gain, differential amplifier is provided for remote voltage sensing. Any potential difference between remote and local grounds can be completely eliminated using the remote-sense amplifier. Eliminating ground differences improves regulation and protection accuracy. The threshold sensitive enable input is available to accurately coordinate the start up of the ISL6326 with any other voltage rail. Dynamic-VID™ technology allows seamless on-the-fly VID changes. The offset pin allows accurate voltage offset settings that are independent of VID setting.

当前筛选条件