跳转到主要内容
瑞萨电子 (Renesas Electronics Corporation)

特性

  • Processor Core Voltage Via Integrated Multi-Phase Power Conversion
  • Configuration Flexibility
  • 1 or 2-Phase Operation with Internal Drivers
  • 3 or 4-Phase Operation with External PWM Drivers
  • PSI_L Support
  • Phase Shedding for Improved Efficiency at Light Load
  • Diode Emulation in PSI mode
  • Gate Voltage Optimization
  • Precision Core Voltage Regulation
  • Differential Remote Voltage Sensing
  • ±0.6% System Accuracy Over-Temperature
  • Optimal Processor Core Voltage Transient Response
  • Adaptive Phase Alignment (APA)
  • Active Pulse Positioning Modulation
  • Fully Differential, Continuous DCR Current Sensing
  • Accurate Load Line Programming
  • Precision Channel Current Balancing
  • Temperature Compensated
  • Serial VID interface Handles up to 3.4MHz Clock Rates
  • Two Level Overcurrent Protection Allows for High Current Throttling (IDD_SPIKE)
  • Multi-tiered Overvoltage Protection
  • Selectable Switching Frequency up to 1MHz
  • Simultaneous Digital Soft-Start of Both Outputs

描述

Support is limited to customers who have already adopted these products.

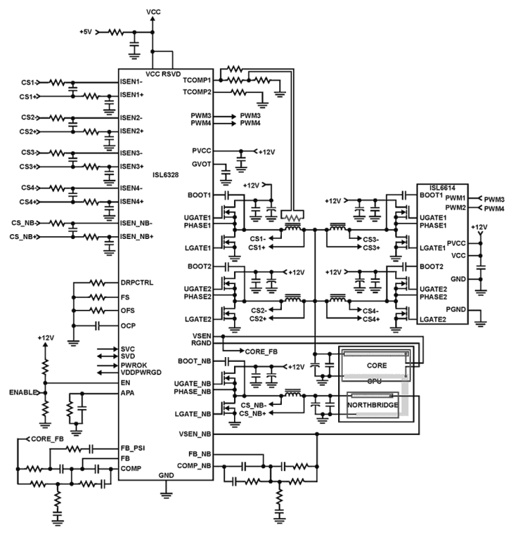
The ISL6328 dual PWM controller delivers high efficiency and tight regulation from two synchronous buck DC/DC converters. The ISL6328 supports power control of AMD processors, which operate from a serial VID interface (SVI). The dual output ISL6328 features a multi-phase controller to support the Core voltage (VDD) and a single phase controller to power the Northbridge (VDDNB). A precision core voltage regulation system is provided by a one-to-four-phase PWM voltage regulator (VR) controller. The integration of two power MOSFET drivers adds flexibility in layout and reduces the number of external components in the multi-phase section. A single phase PWM controller with integrated driver provides a second precision voltage regulation system for the Northbridge portion of the processor. This monolithic, dual controller with an integrated driver solution provides a cost and space saving power management solution. For applications that benefit from load line programming to reduce bulk output capacitors, the ISL6328 features temperature compensated output voltage droop. The multi-phase portion also includes advanced control loop features for optimal transient response to load application and removal. One of these features is highly accurate, fully differential, continuous DCR current sensing for load line programming and channel current balance. Dual edge modulation is another unique feature, allowing for quicker initial response to high di/dt load transients. The ISL6328 supports Power Savings Mode by dropping the number of phases when the PSI_L bit is set.

当前筛选条件