| CAD 模型: | View CAD Model |
| Pkg. Type: | TQFN |
| Pkg. Code: | LZW |
| Lead Count (#): | 40 |
| Pkg. Dimensions (mm): | 5.00 x 5.00 x 0.75 |
| Pitch (mm): | 0.4 |
| Moisture Sensitivity Level (MSL) | 3 |
| Pb (Lead) Free | Yes |
| RoHS (ISL6373IRTZ) | 下载 |
| ECCN (US) | |
| HTS (US) |
| Lead Count (#) | 40 |
| Carrier Type | Tube |
| Moisture Sensitivity Level (MSL) | 3 |
| Pb (Lead) Free | Yes |
| Pb Free Category | Pb-Free 100% Matte Tin Plate w/Anneal-e3 |
| Temp. Range (°C) | -40 to +85°C |
| Bias Voltage Range (V) | 4.75 - 5.25 |
| Droop | Yes |
| Input Voltage (Max) (V) | 14 |
| Input Voltage (Min) (V) | 4.5 |
| Integrated MOSFET Driver (s) | No |
| Length (mm) | 5 |
| MOQ | 600 |
| Output Current (Max) [Rail 1] (A) | 190 |
| Output Voltage (Max) (V) | 3.04 |
| Output Voltage (Min) (V) | 0.25 |
| Outputs (Max) (#) | 1 |
| Parametric Applications | VR12.5/VR12 |
| Parametric Category | Multiphase DC/DC Switching Controllers |
| Phases (Max) | 4 |
| Pitch (mm) | 0.4 |
| Pkg. Dimensions (mm) | 5.0 x 5.0 x 0.75 |
| Pkg. Type | TQFN |
| Qualification Level | Standard |
| Thickness (mm) | 0.75 |
| VID | Yes |
| Width (mm) | 5 |
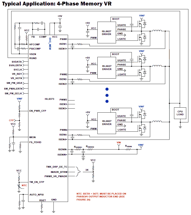
The ISL6373 is an EAPP Hybrid Digital 4-Phase PWM controller and is designed to be compliant to Intel VR12. 5/VR12 specifications and control the microprocessor core or memory voltage regulator. It includes programmable functions and telemetries for easy use, high system flexibility and overclocking applications using SMBus, PMBus, or I2C interface, which is designed to be conflict free with the CPU’s SVID bus. This hybrid digital approach eliminates the need of NVM and Firmware often seen in a full digital solution and significantly reduces design complexity, inventory and manufacturing costs. The ISL6373 utilizes Intersil's proprietary Enhanced Active Pulse Positioning (EAPP) modulation scheme to achieve the extremely fast transient response with fewer output capacitors. The ISL6373 accurately monitors the load current via the IMON pin and reports this information via the IOUT register to the microprocessor, which sends a PSI# signal to the controller at low power mode via SVID bus. The controller enters 1- or 2-phase operation in low power mode (PSI1); in the ultra-low power mode (PSI2, PSI3), it operates in single phase with diode emulation option. In low power modes, the magnetic core and switching losses are significantly reduced, yielding high efficiency at light load. After the PSI# signal is de-asserted, the dropped phase(s) are added back to sustain heavy load transient response and efficiency. In addition, the ISL6373 features auto-phase shedding to optimize the efficiency from light to full load for Green Environment without sacrificing the transient performance. Today’s microprocessors require a tightly regulated output voltage position versus load current (droop). The ISL6373 senses the output current continuously by measuring the voltage across a dedicated current sense resistor or the DCR of the output inductor. The sensed current flows out of the FB pin to develop the precision voltage drop across the feedback resistor for droop control. Current sensing circuits also provide the needed signals for channel-current balancing, average overcurrent protection and individual phase current limiting. The TM pin senses an NTC thermistor’s temperature, which is internally digitized for thermal monitoring and for integrated thermal compensation of the current sense elements of the regulator. The ISL6373 features remote voltage sensing and completely eliminates any potential difference between remote and local grounds. This improves regulation and protection accuracy. The threshold-sensitive enable input is available to accurately coordinate the start-up of the ISL6373 with other voltage rails.