跳转到主要内容
瑞萨电子 (Renesas Electronics Corporation)

特性

  • Single Chip Power Solution
  • True Dual Operation for 2-Tuner/2-Dish Applications
  • Both Outputs May be Enabled Simultaneously at Maximum Power
  • Integrated DC/DC Converter and I2C Interface
  • Switch-Mode Power Converter for Lowest Dissipation
  • Boost PWMs with >92% Efficiency
  • Selectable 13.3V or 18.3V Outputs
  • Digital Cable Length Compensation (1V)
  • I2C and Pin Controllable Output
  • Output Back Bias Capability of 28V
  • I2C Compatible Interface for Remote Device Control
  • Four level Slave Address 0001 00XX
  • 2.5V/3.3V/5V Logic Compatible
  • External Pins to Toggle Between V and H Polarization
  • Built-In Tone Oscillator Factory Trimmed to 22kHz
  • Facilitates DiSEqC (EUTELSAT) Encoding
  • External Modulation Input
  • Internal Over-Temperature Protection and Diagnostics
  • Internal OV, UV, Overload and Overtemp Flags (Visible on I2C)
  • FLT Signal
  • LNB Short-Circuit Protection and Diagnostics
  • QFN and EPTSSOP Packages
  • Pb-Free Plus Anneal Available (RoHS Compliant)

描述

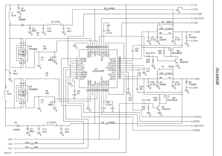
The ISL6422B is a highly integrated voltage regulator and interface IC, specifically designed for supplying power and control signals from advanced satellite set-top box (STB) modules to the low noise blocks (LNBs) of two antenna ports. The device is consists of two independent current-mode boost PWMs and two low-noise linear regulators along with the circuitry required for 22kHz tone generation, modulation and I2C device interface. The device makes the total LNB supply design simple, efficient and compact with low external component count. Two independent current-mode boost converters provide the linear regulators with input voltages that are set to the final output voltages, plus typically 0. 8V to insure minimum power dissipation across each linear regulator. This maintains constant voltage drops across each linear pass element while permitting adequate voltage range for tone injection. The final regulated output voltages are available at two output terminals to support simultaneous operation of two antenna ports for dual tuners. The outputs for each PWM can be controlled in two ways, full control from I2C using the VTOP1, VTOP2 and VBOT1, VBOT2 bits or set the I2C to the lower range ie 13V/14V and switch to higher range ie 18V/19V with the SELVTOP1, SELVTOP2 pins. All the functions on this IC are controlled via the I2C bus by writing 8 bits words onto the System Registers (SR). The same register can be read back, and four bits per output will report the diagnostic status. Separate enable commands sent on the I2C bus provide independent standby mode control for each PWM and linear combination, disabling the output into shutdown mode. Each output channel is capable of providing 750mA of continuous current. The overcurrent limit can be digitally programmed. The External modulation input EXTM1, EXTM2 can accept a modulated DiSEqC command and transfer it symmetrically to the output. Alternatively the EXTM1, EXTM2 pins can be used to modulate the continuous internal tone. The FLT pin serves as an interrupt for the processor when any condition turns OFF the LNB controller (Over- Temperature, Overcurrent, Disable). The nature of the fault can be read of the I2C registers.

应用

  • LNB Power Supply and Control for Satellite Set-Top Box

当前筛选条件