跳转到主要内容
注意 - 建议使用以下设备作为替代品:

特性

  • Wide Input Supply Voltage Range
  • Variable 5.6V to 24V
  • Fixed 4.5V to 5.6V
  • Three Independently Programmable Output Voltages
  • Switching Frequency 300kHz
  • Out of Phase PWM Controller Operation
  • Reduces Required Input Capacitance and Power Supply Induced Loads
  • No External Current Sense Resistor
  • Uses Lower MOSFET's rDS(ON)
  • Bidirectional Frequency Synchronization for Synchronizing Multiple ISL6443s
  • Programmable Soft-Start
  • Extensive circuit protection functions
  • PGOOD
  • UVLO
  • Overcurrent
  • Over-temperature
  • Independent Shutdown for Both PWMs
  • Excellent Dynamic Response
  • Voltage Feed-Forward with Current Mode Control
  • QFN Packages:
  • QFN - Compliant to JEDEC PUB95 MO-220 QFN - Quad Flat No Leads - Package Outline
  • Near Chip Scale Package footprint, which improves PCB efficiency and has a thinner profile
  • Pb-Free Plus Anneal Available (RoHS Compliant)

描述

Support is limited to customers who have already adopted these products.

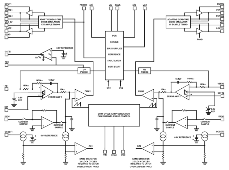
The ISL6443 is a high-performance, triple-output controller optimized for converting wall adapter, battery or network intermediate bus DC input supplies into the system supply voltages required for a wide variety of applications. Each output is adjustable down to 0.8V. The two PWMs are synchronized 180° out of phase reducing the RMS input current and ripple voltage. The ISL6443 incorporates several protection features. An adjustable overcurrent protection circuit monitors the output current by sensing the voltage drop across the lower MOSFET. Hiccup mode overcurrent operation protects the DC/DC components from damage during output overload/short circuit conditions. Each PWM has an independent logic-level shutdown input (SD1 and SD2). A single PGOOD signal is issued when soft-start is complete on both PWM controllers and their outputs are within 10% of the set point and the linear regulator output is greater than 75% of its setpoint. Thermal shutdown circuitry turns off the device if the junction temperature exceeds +150°C.

应用

  • Power Supplies with Multiple Outputs
  • xDSL Modems/Routers
  • DSP, ASIC, and FPGA Power Supplies
  • Set-Top Boxes
  • Dual Output Supplies for DSP, Memory, Logic, µP Core and I/O
  • Telecom Systems

当前筛选条件