跳转到主要内容
瑞萨电子 (Renesas Electronics Corporation)

特性

  • 4.5V to 5.5V or 5.5V to 24V input voltage range
  • Three programmable power output voltages
  • Two PWM controllers with out-of-phase operation
  • Voltage-mode PWM control
  • One linear controller
  • Programmable switching frequency from 100kHz to 2.5MHz
  • Fast transient response
  • High-bandwidth error amplifier
  • Extensive circuit protection functions
  • Undervoltage and over-temperature
  • Overvoltage with latch-off mode
  • Programmable overcurrent limit with latch-off mode
  • Lossless current sensing (no sense resistor needed)
  • Externally adjustable soft-start time
  • Independent enable control
  • Voltage tracking capability
  • Able to soft-start into a prebiased load
  • PGOOD output with delay

描述

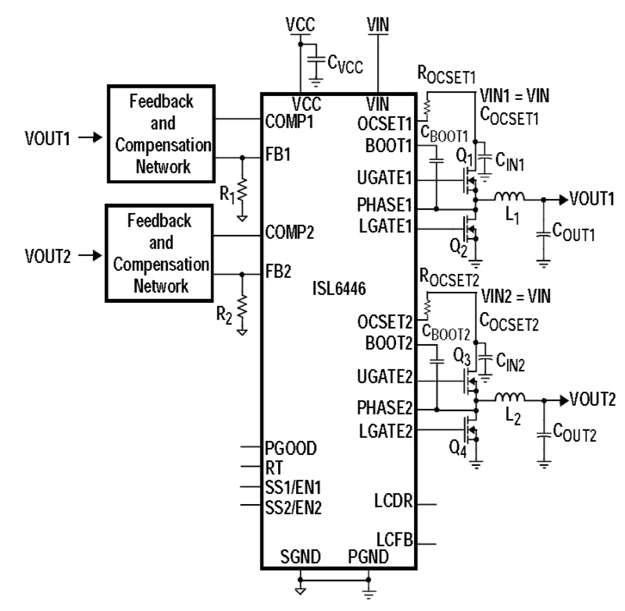
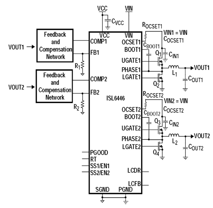
The ISL6446 is a high-performance, triple output controller that provides a single high-frequency power solution primarily for broadband, DSL and networking applications. This device integrates complete control, monitoring and protection functions for two synchronous buck PWM controllers and one linear controller. Input voltage ripple and total RMS input current is substantially reduced by synchronized 180° out-of-phase operation of the two PWMs. The two PWM buck converters provide simple voltage mode control. The output voltage of the converters can be precisely regulated to as low as 0.6V, with a maximum tolerance of ±1.5% over-temperature and line variations. Programmable switching frequency down to 100kHz provides optimized low cost solution for ATX power supplies. It’s also able to operate up to 2.5MHz to deliver compact solutions. The linear controller provides a low-current output. Each PWM controller has soft-start and independent enable functions combined on a single pin. A capacitor from SS/EN to ground sets the soft-start time; pulling SS/EN pin below 1V disables the controller. Both outputs can soft-start into a prebiased load. The ISL6446 incorporates robust protection features. An adjustable overcurrent protection circuit monitors the output current by sensing the voltage drop across the upper MOSFET rDS(ON). Latch-off mode overcurrent operation protects the DC/DC converters from damage under overload and short-circuit conditions. A PGOOD signal is issued when soft-start is complete and PWM outputs are within 10% of their regulated values and the linear regulator output is higher than 75% of its nominal value. Thermal shutdown circuitry turns the device off if the IC temperature exceeds +150°C.

应用

  • ATX power supplies
  • DSP, ASIC, and FPGA point of load regulation
  • Industrial and security networking applications

当前筛选条件