| CAD 模型: | View CAD Model |
| Pkg. Type: | SOICN |
| Pkg. Code: | MBY |
| Lead Count (#): | 8 |
| Pkg. Dimensions (mm): | 4.9 x 3.9 x 0.00 |
| Pitch (mm): | 1.3 |
| Moisture Sensitivity Level (MSL) | 1 |
| Pb (Lead) Free | Yes |
| RoHS (ISL6536IBZ-T) | 下载 |
| ECCN (US) | |
| HTS (US) |
| Lead Count (#) | 8 |
| Carrier Type | Reel |
| Moisture Sensitivity Level (MSL) | 1 |
| Pb (Lead) Free | Yes |
| Pb Free Category | Pb-Free 100% Matte Tin Plate w/Anneal-e3 |
| Temp. Range (°C) | -40 to +85°C |
| Adjustable POR Timeout | No |
| Adjustable Vtrip | Yes |
| Fixed Vtrip | No |
| Input Voltage (Max) (V) | 4 |
| Input Voltage (Min) (V) | 2.7 |
| Interface | N/A |
| Length (mm) | 4.9 |
| MOQ | 5000 |
| Manual Reset | Yes |
| Monitor Voltage (Max) (V) | 4 - 4 |
| Parametric Category | Voltage Supervisor & Reset ICs |
| Pitch (mm) | 1.3 |
| Pkg. Dimensions (mm) | 4.9 x 3.9 x 0.00 |
| Pkg. Type | SOICN |
| Qualification Level | Standard |
| Reset Output Type | Active Low |
| TwinPin™ MR#/RST# | No |
| VMONITOR | Adj to 0.7V Ref |
| Voltage Monitors (#) | 4 |
| WDT | No |
| Width (mm) | 3.9 |
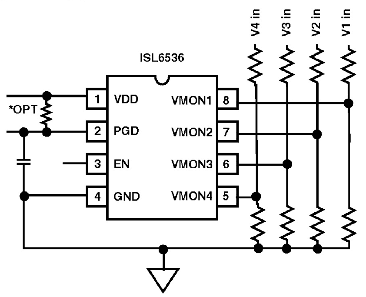
The ISL6536 is a four channel supervisory IC designed to monitor voltages >, = 0. 7V. This IC bias range is from 2. 7V to 4V but can supervise any positive voltage using an external resistor divider to translate to a lower voltage for comparison to the internal 0. 63V reference. Once properly biased and enabled when all four voltage monitor (VMON) inputs are satisfied the PGOOD output will be immediately released to go high to signal that voltage is valid on all four rails. Subsequently when the monitored voltage on any rail drops below its user defined threshold point, the PGOOD output is pulled low. Each rail's VMON point is independently adjustable with a resistor divider. The PGOOD output is guaranteed to be valid with IC bias lower than 1V. The VMON inputs will ignore 30µs transients on the monitored supplies. The PGOOD output is an open-drain to allow ORing of multiple signals and interfacing to a range of logic levels. The ENABLE input provides for a reset of the PGOOD output when it is pulled down below 0. 5V. With an internal 10µA pull-up to VDD it can be signalled with common logic or pulled to ground with a push button switch.