| CAD 模型: | View CAD Model |
| Pkg. Type: | SOICW |
| Pkg. Code: | MWV |
| Lead Count (#): | 28 |
| Pkg. Dimensions (mm): | 17.93 x 7.52 x 0.20 |
| Pitch (mm): | 1.27 |
| Moisture Sensitivity Level (MSL) | |
| Pb (Lead) Free | No |
| ECCN (US) | |
| HTS (US) |
| Pkg. Type | SOICW |
| Carrier Type | Tube |
| MOQ | 520 |
| Control Mode | Peak Current Mode |
| Duty Cycle (%) | 99 - 99 |
| FET Driver Output Current (Max) (A) | 2 |
| Lead Count (#) | 28 |
| Length (mm) | 17.9 |
| No-Load Operating Current | 13 mA |
| PWMs (#) | 6 |
| Pb (Lead) Free | No |
| Pitch (mm) | 1.3 |
| Pkg. Dimensions (mm) | 17.9 x 7.5 x 0.20 |
| Qualification Level | Standard |
| Temp. Range (°C) | -40 to +85°C |
| Thickness (mm) | 0.2 |
| Topology Characteristic | Full-Bridge ZVS |
| Topology [Rail 1] | Zero-Voltage-Switching (ZVS) |
| UVLO Falling (V) | 8.6 |
| UVLO Rising (V) | 9.6 |
| VBIAS (Max) (V) | 16 |
| Width (mm) | 7.5 |
Support is limited to customers who have already adopted these products.
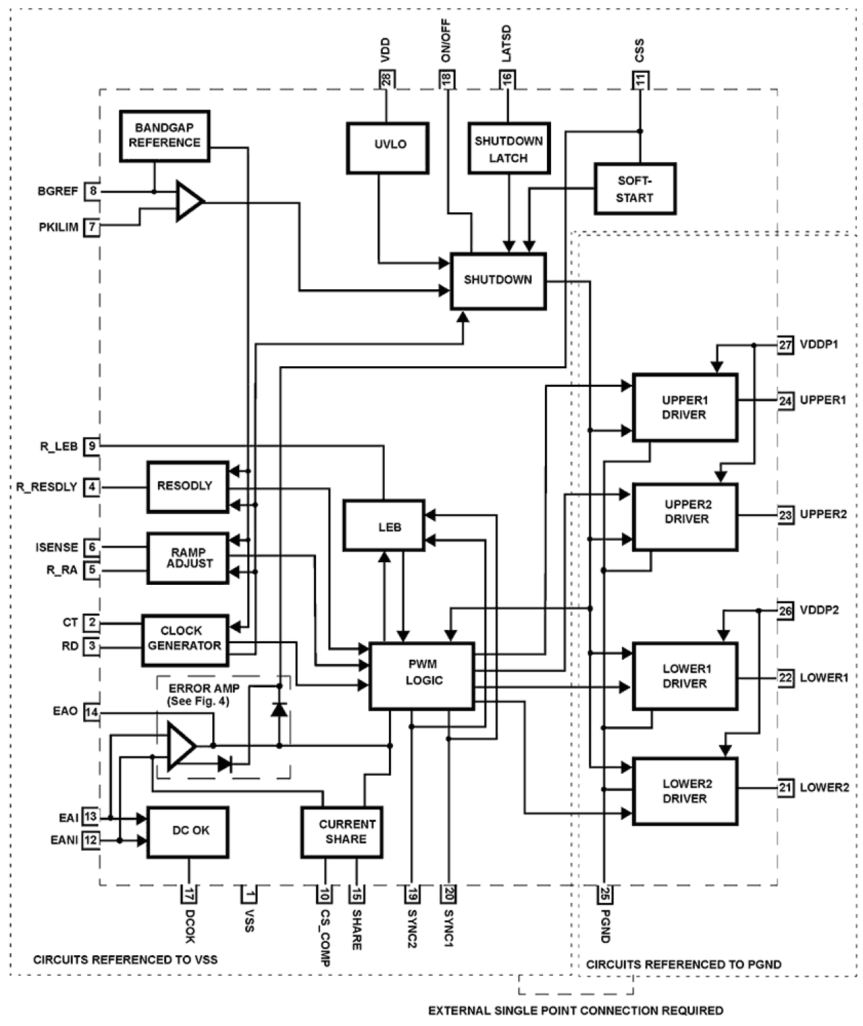
The ISL6551 is a zero voltage switching (ZVS) full-bridge PWM controller designed for isolated power systems. This part implements a unique control algorithm for fixed-frequency ZVS current mode control, yielding high efficiency with low EMI. The two lower drivers are PWM controlled on the trailing edge and employ resonant delay while the two upper drivers are driven at a fixed 50% duty cycle. This IC integrates many features in 28 Ld SOIC package to yield a complete and sophisticated power supply solution. Control features include programmable soft-start for controlled start-up, programmable resonant delay for zero voltage switching, programmable leading edge blanking to prevent false triggering of the PWM comparator due to the leading edge spike of the current ramp, adjustable ramp for slope compensation, drive signals for implementing synchronous rectification in high output current, ultra high efficiency applications and current share support for paralleling up to 10 units, which helps achieve higher reliability and availability as well as better thermal management. Protective features include adjustable cycle-by-cycle peak current limiting for overcurrent protection, fast short-circuit protection (in hiccup mode), a latching shutdown input to turn off the IC completely on output overvoltage conditions or other extreme and undesirable faults, a non-latching enable input to accept an enable command when monitoring the input voltage and thermal condition of a converter and VDD undervoltage lockout with hysteresis. Additionally, the ISL6551 includes high current high-side and low-side totem-pole drivers to avoid additional external drivers for moderate gate capacitance (up to 1.6nF at 1MHz) applications, an uncommitted high bandwidth (10MHz) error amplifier for feedback loop compensation, a precision bandgap reference with ±1.5% (ISL6551AB) or ±1% (ISL6551IB) tolerance across recommended operating conditions and a ±5% “in regulation” monitor. In addition to the ISL6551, other external elements such as transformers, pulse transformers, capacitors, inductors and Schottky or synchronous rectifiers are required for a complete power supply solution. A detailed 200W telecom power supply reference design using the ISL6551 with companion Intersil ICs, Supervisor and Monitor ISL6550, and Half-bridge Driver HIP2100, is presented in application note AN1002. In addition, the ISL6551 can also be designed in push-pull converters using all of the features except the two upper drivers and adjustable resonant delay features.