| CAD 模型: | View CAD Model |
| Pkg. Type: | QFN |
| Pkg. Code: | LJP |
| Lead Count (#): | 32 |
| Pkg. Dimensions (mm): | 5.00 x 5.00 x 0.90 |
| Pitch (mm): | 0.5 |
| Pb (Lead) Free | No |
| Moisture Sensitivity Level (MSL) | |
| ECCN (US) | |
| HTS (US) |
| Lead Count (#) | 32 |
| Carrier Type | Reel |
| Pb (Lead) Free | No |
| Temp. Range (°C) | -40 to +85°C |
| Bias Voltage Range (V) | 4.75 - 5.25 |
| Droop | Yes |
| Input Voltage (Max) (V) | 12 |
| Input Voltage (Min) (V) | 3 |
| Integrated MOSFET Driver (s) | Yes |
| Length (mm) | 5 |
| MOQ | 6000 |
| Output Current (Max) [Rail 1] (A) | 60 |
| Output Voltage (Max) (V) | 1.6 |
| Output Voltage (Min) (V) | 0.8375 |
| Outputs (Max) (#) | 1 |
| Parametric Applications | VR9, VR10, AMD Hammer |
| Parametric Category | Multiphase DC/DC Switching Controllers |
| Phases (Max) | 2 |
| Pitch (mm) | 0.5 |
| Pkg. Dimensions (mm) | 5.0 x 5.0 x 0.90 |
| Pkg. Type | QFN |
| Qualification Level | Standard |
| Thickness (mm) | 0.9 |
| VID | Yes |
| Width (mm) | 5 |
Support is limited to customers who have already adopted these products.
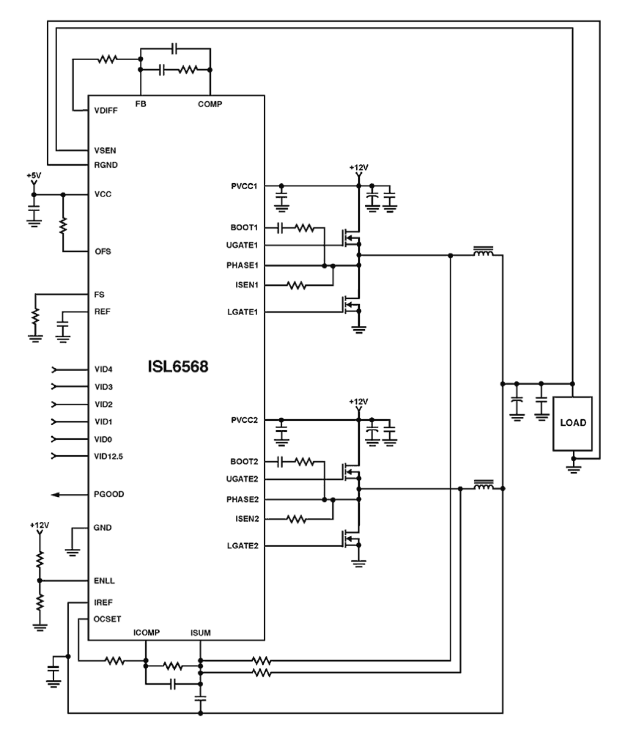
The ISL6568 two-phase PWM control IC provides a precision voltage regulation system for advanced microprocessors. The integration of power MOSFET drivers into the controller IC marks a departure from the separate PWM controller and driver configuration of previous multi-phase product families. By reducing the number of external parts, this integration is optimized for a cost and space saving power management solution. Outstanding features of this controller IC include programmable VID codes compatible with Intel VRM9, VRM10, as well as AMD Hammer microprocessors. A unity gain, differential amplifier is provided for remote voltage sensing, compensating for any potential difference between remote and local grounds. The output voltage can also be positively or negatively offset through the use of a single external resistor. A unique feature of the ISL6568 is the combined use of both DCR and rDS(ON) current sensing. Load line voltage positioning (droop) and overcurrent protection are accomplished through continuous inductor DCR current sensing, while rDS(ON) current sensing is used for accurate channel-current balance. Using both methods of current sampling utilizes the best advantages of each technique. Protection features of this controller IC include a set of sophisticated overvoltage, undervoltage, and overcurrent protection. Overvoltage results in the converter turning the lower MOSFETs ON to clamp the rising output voltage and protect the microprocessor. The overcurrent protection level is set through a single external resistor. Furthermore, the ISL6568 includes protection against an open circuit on the remote sensing inputs. Combined, these features provide advanced protection for the microprocessor and power system.