跳转到主要内容
瑞萨电子 (Renesas Electronics Corporation)

特性

  • Precision duty cycle and dead time control
  • 95μA start-up current
  • Adjustable delayed overcurrent shutdown and restart (ISL6740)
  • Adjustable short-circuit shutdown and restart
  • Adjustable oscillator frequency up to 2MHz
  • Bidirectional synchronization
  • Inhibit signal
  • Internal over-temperature protection
  • System over-temperature protection using a thermistor or sensor
  • Adjustable soft-start
  • Adjustable input undervoltage lockout
  • Fault signal
  • Tight tolerance voltage reference over line, load and temperature
  • Pb-free (RoHS compliant)

描述

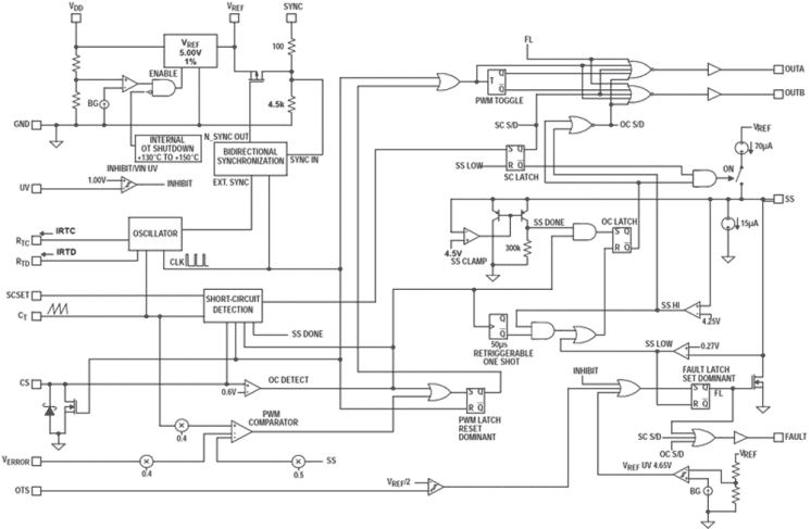
ISL6740, ISL6741 Flexible Double-Ended Voltage and Current Mode PWM Controllers The ISL6740, ISL6741 family of adjustable frequency, low power, Pulse Width Modulating (PWM) voltage mode (ISL6740) and current mode (ISL6741) controllers, is designed for a wide range of power conversion applications using half-bridge, full bridge and push-pull configurations. These controllers provide an extremely flexible oscillator that allows precise control of frequency, duty cycle and dead time. This advanced BiCMOS design features low operating current, adjustable switching frequency up to 1MHz, adjustable soft-start, internal and external over-temperature protection, fault annunciation, and a bidirectional SYNC signal that allows the oscillator to be locked to paralleled units or to an external clock for noise sensitive applications.

应用

  • Telecom and Datacom Power
  • Wireless Base Station Power
  • File Server Power
  • Industrial Power Systems
  • DC Transformers and Buss Regulators

当前筛选条件