跳转到主要内容
瑞萨电子 (Renesas Electronics Corporation)

特性

  • 可调谐振延迟,可用于ZVS操作
  • 电压或电流模式操作
  • 3%电流限制阈值
  • 175μA启动电流
  • 电源UVLO
  • 可调死区时间控制
  • 可调式软启动
  • 可调振荡器频率高达2MHz
  • 在线路、负载和温度条件下的误差放大器基准容差很小
  • 5MHz GBWP误差放大器
  • 可调逐周期峰值电流限制
  • 电流检测输出延时速度快
  • 70ns前沿消隐
  • 多脉冲抑制
  • 缓冲振荡器锯齿输出
  • 内部过温保护
  • 提供无铅加退火,符合ELV、WEEE、RoHS标准

描述

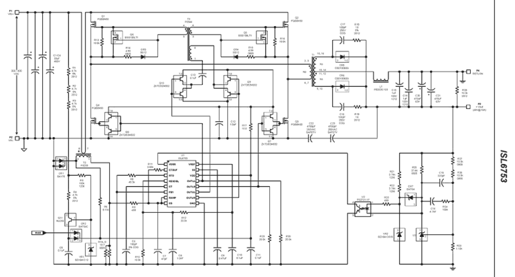
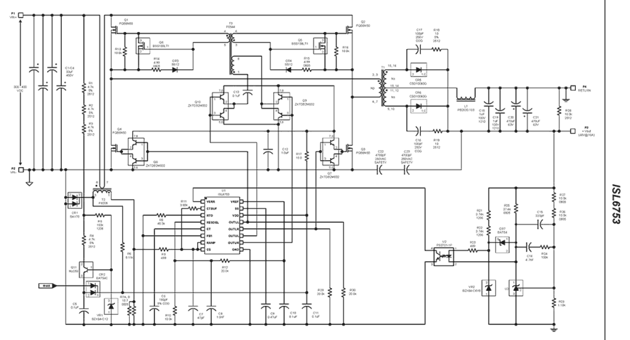
ISL6753是一款高性能、低引脚数的零电压开关(ZVS)全桥脉宽调制(PWM)控制器。 与 ISL6551 一样,以固定的50%占空比驱动上桥FET,而下桥FET则通过可调节谐振开关延迟进行后沿调制,以实现ZVS操作。 与更熟悉的相移控制方法相比,该算法在更低引脚数的封装中提供了相同的效率,并改善了过流和轻载性能,而且降低了复杂性。 这种先进的BiCMOS设计具有低工作电流、高达2MHz的可调振荡器频率、可调软启动、内部过温保护、精密死区时间和谐振延迟控制以及短传播延迟等特点。 此外,多脉冲抑制功能可确保在可能发生脉冲跳跃的低占空比下交替输出脉冲。

应用

  • ZVS全桥转换器
  • 电信和数据通信电源
  • 无线基站电源
  • 文件服务器电源
  • 工业电力系统

当前筛选条件