跳转到主要内容
瑞萨电子 (Renesas Electronics Corporation)

特性

  • 16-bit RGB transport over a single differential pair
  • 6MHz to 50MHz pixel clock rates
  • AEC-Q100 qualified component
  • Bi-directional auxiliary data transport without extra bandwidth and over the same differential pair
  • Hot-plugging with automatic resynchronization every HSYNC
  • I2C bus mastering to the remote side of the link with a controller on either the serializer or deserializer
  • Selectable clock edge for parallel data output
  • DC-balanced with industry standard 8b/10b line code allows AC-coupling, providing immunity against ground shifts
  • 16 programmable settings each for transmitter amplitude boost and pre-emphasis and receiver equalization, allow for longer cable lengths and higher data rates
  • Slew rate control and spread spectrum capability on outputs reduce the potential for EMI
  • Same device for serializer and deserializer simplifies inventory

描述

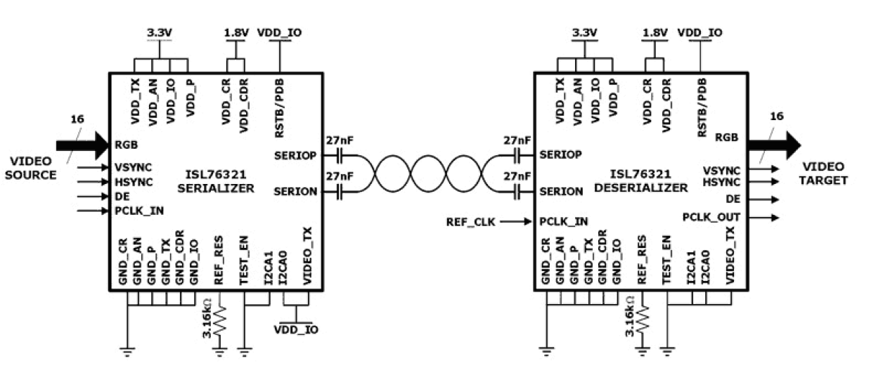
The ISL76321 is a serializer/deserializer of LVCMOS parallel video data. The video data presented to the serializer on the parallel LVCMOS bus is serialized into a high-speed differential signal. This differential signal is converted back to parallel video at the remote end by the deserializer. It also transports auxiliary data bi-directionally over the same link during the video vertical retrace interval. I2C bus mastering allows the placement of external slave devices on the remote side of the link. An I2C controller can be placed on either side of the link allowing bidirectional I2C communication through the link to the external devices on the other side. Both chips can be fully configured from a single controller or independently by local controllers.

应用

  • Video Entertainment Systems
  • Remote Cameras

当前筛选条件