跳转到主要内容
瑞萨电子 (Renesas Electronics Corporation)

特性

  • Dual 2A/1.7A high efficiency synchronous buck regulator with up to 97% efficiency, low iq (40µA)
  • 180° out-of-phase
  • Start-up with pre-biased output
  • Selectable forced PWM mode and PFM mode
  • External synchronization up to 8MHz
  • Negative current detection and protection
  • 100% maximum duty cycle for lowest dropout
  • Internal current mode compensation
  • Peak current limiting, hiccup mode short circuit protection and over-temperature protection
  • Pb-free (RoHS compliant)

描述

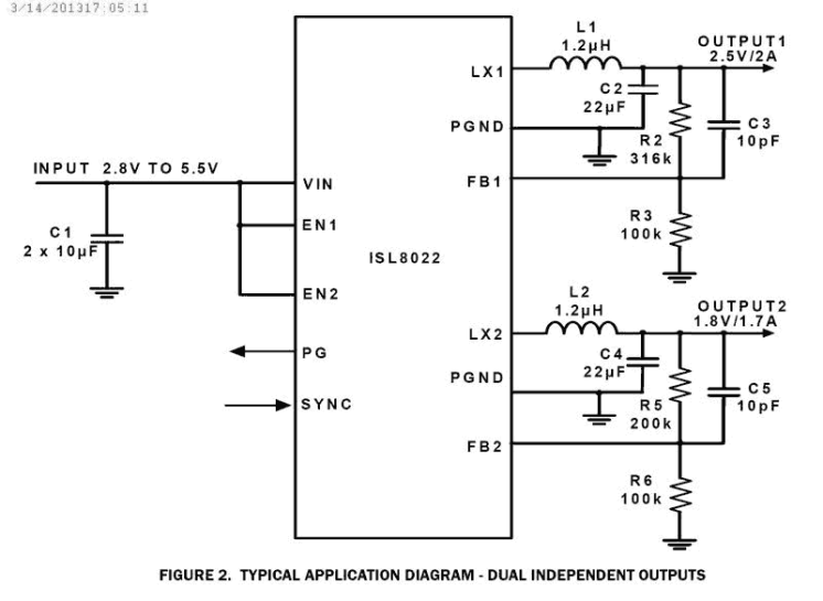
The ISL8022 is a high efficiency, dual synchronous step-down DC/DC regulator that can deliver up to 2A/1. 7A continuous output current per channel. The channels are 180° out-of-phase for input RMS current and EMI reduction. The supply voltage range of 2. 8V to 5. 5V allows for the use of a single Li+ cell, three NiMH cells or a regulated 5V input. The current mode control architecture enables very low duty cycle operation at high frequency with fast transient response and excellent loop stability. The ISL8022 operates at 2. 25MHz switching frequency allowing for the use of small, low cost inductors and capacitors. Each channel is optimized for generating an output voltage as low as 0. 6V. The ISL8022 has a user configurable mode of operation-forced PWM mode and PFM/PWM mode. The forced PWM mode operation reduces noise and RF interference while the PFM mode operation provides high efficiency by reducing switching losses at light loads. In PFM mode of operation, both channels draw a total quiescent current of only 40µA, hence enabling high light load efficiency in order to maximize battery life. The ISL8022 offers a 1ms Power-Good (PG) to monitor both outputs at power-up. When shutdown, ISL8022 discharges the outputs capacitor. Other features include internal digital soft-start, enable for power sequence, overcurrent protection, and thermal shutdown. The ISL8022 is offered in a 4mmx3mm 12 Ld DFN package with 1mm maximum height. The complete converter occupies less than 1. 8cm2 area.

产品参数

属性
Topology [Rail 1]Buck
Outputs (#)2
Input Voltage (Min) [Rail 1] (V)2.8
Input Voltage (Max) [Rail 1] (V)5.5 - 5.5
Output Voltage (Min) [Rail 1] (V)0.6
Output Voltage (Max) [Rail 1] (V)5.5
Output Current (Max) [Rail 1] (A)2
Switching Frequency Range (Typical) (kHz)2250 - 2250
Control TypeCurrent Mode
Peak Efficiency (%)97
IQ [Rail 1] (µA)40
SYNCH CapabilityYes
Qualification LevelStandard
Temp. Range (°C)-40 to +85°C
Simulation Model AvailableN/A

封装选项

Pkg. TypePkg. Dimensions (mm)Lead Count (#)Pitch (mm)
DFN4.0 x 3.0 x 0.90120.5

应用方框图

Power Sequencer & I/O Expander for Printers (PPC/MFP) Block Diagram
打印机电源排序器和 I/O 扩展器(PPC 或 MFP)
基于 MCU 的电源定序器和 I/O 扩展器,适用于高性能 PPC 或 MFP 打印机。
IO-Link master block diagram features a built-in IO-Link hardware frame, temperature and supply voltage monitoring and protection, overload protection for channels and connected devices.
IO-Link 主机
IO-Link 网关套件将 8 个传感器/执行器与以太网连接,由 Arm Cortex-R52 MPU 控制。
Interactive block diagram of the Mbed-based image processing system features highly integrated MPU with Arm Cortex-A9 CPU that supports e-AI, wireless IoT connectivity via a Wi-Fi module, along with various UI interfaces.
基于 Mbed 的图像处理系统
基于 Mbed 的系统可通过 AI、IoT 和传感器集成实现智能相机的快速原型设计。

其他应用

  • DC/DC POL modules
  • µC/µP, FPGA and DSP power
  • Plug-in DC/DC modules for routers and switchers
  • Test and measurement systems
  • Li-ion battery powered devices
  • Bar code readers

当前筛选条件