特性
- Wide Input Voltage Range 5.5V to 25V
- Constant ON-TIME Control with 100ns Load-Step Response
- Dual Fixed Outputs of 1.05V (3.3V) and 1.5V (5.0V), or Adjustable Outputs of 0.7V to 5.5V (SMPS1) and 0V to 2.5V/5V (SMPS2), ±1.5% Accuracy
- Adjustable Switching Frequency: 400/500kHz, 300/400kHz, 200/300kHz
- Very High Light Load Efficiency (Skip Mode)
- 5mW Quiescent Power Dissipation
- ±1.5% (LDO): 100mA, 200mA (Switch Over)
- 3.3V Reference Voltage ±2.0%: 5mA
- 2.0V Reference Voltage ±1.0%: 50µA
- Temperature Compensated rDS(ON) Current Sensing
- Programmable Current Limit with Foldback Capability
- Selectable PWM, Skip or Ultrasonic Mode
- Independent PGOOD1 and PGOOD2 Comparators
- Soft-Start with Pre-Biased Output and Soft-Stop
- 1.7ms Digital Soft-Start and Independent Shutdown
- Independent ENABLE
- Thermal Shutdown
- Extremely Low Components Count
- Pb-Free Available (RoHS Compliant)
描述
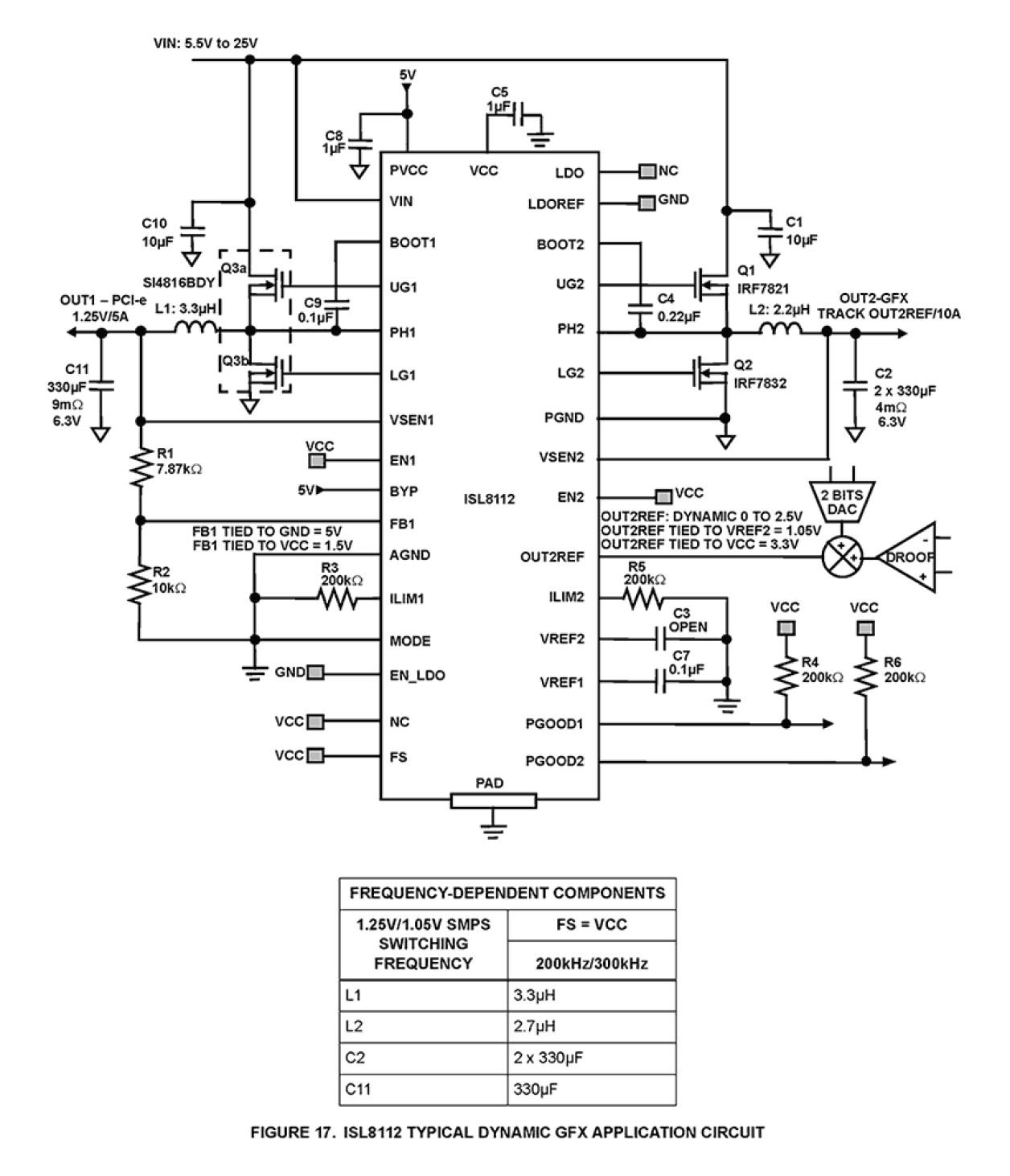
ISL8112 is a dual-output Synchronous Buck controller with 2A integrated driver. It features high light load efficiency which is especially preferred in systems concerned with high efficiency in wide load range, like the battery powered system. ISL8112 includes two constant on-time PWM controllers. Either of the two outputs can operate in output fixed mode or adjustable mode. In fixed mode, one output can be 5V or 3.3V and the other can output 1.5V or 1.05V. In output adjustable mode, one output can be 0.7V to 5.5V, and the other output can range from 0V to 2.5V (sensing output voltage directly) or up to 5V (using resistor divider voltage for voltage sensing).
This device also features a linear regulator providing 3.3V/5V, or adjustable from 0.7V to 4.5V via LDOREF. The linear regulator provides up to 100mA output current with automatic linear-regulator bootstrapping to the BYP input. When in switch over, the LDO output can source up to 200mA. ISL8112 includes on-board power-up sequencing, the powergood (PGOOD_) outputs, digital soft-start, and internal softstop output discharge that prevents negative voltages on shutdown.
ISL8112 is implemented with constant on-time PWM control scheme which need no sense resistors and provides 100ns response to load transients while maintaining a relatively constant switching frequency. The unique ultrasonic pulse-skipping mode maintains the switching frequency above 25kHz, eliminating undesired audible noises in low frequency operation at light load. Other features include pulse skipping which maximizes efficiency in light-load applications, and fixed-frequency PWM mode which reduces RF interference in sensitive applications.
应用
- Power Supply for Telecom/Datacom and POL
- System Requiring High Efficiency in Wide Load Range
- Compact Design with Minimum Components Count
- PDAs and Mobile Communication Devices
- 3- and 4-Cell Li+ Battery-Powered Devices
- DDR1, DDR2, and DDR3 Applications
当前筛选条件
 
